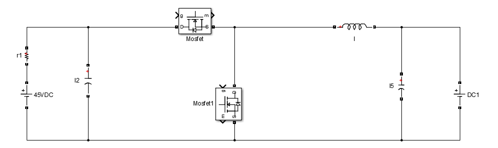
测试中发现BUCK电路下管MOSEFET在死区时间后内二极管关断时产生的很高的过电压,且随电流而增加。有没有比较好的解决方案
This thread has been locked.
If you have a related question, please click the "Ask a related question" button in the top right corner. The newly created question will be automatically linked to this question.
测试中发现BUCK电路下管MOSEFET在死区时间后内二极管关断时产生的很高的过电压,且随电流而增加。有没有比较好的解决方案
你好,
就是普通buck,注意下左电容和两个管子回路尽量短就可以了,谢谢。
这个有没有其他解决办法,电路板已经做好了。RCD吸收电路貌似作用不大。谢谢!