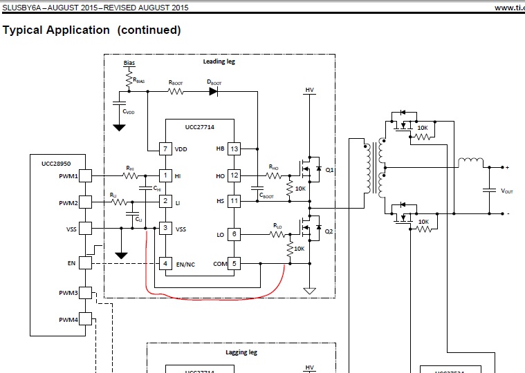
在UCC27714 datasheet中,手册第一页问什么将VSS与COM接在一起呢?
手册28页也是这样,是为什么呢?
在TI官方的600瓦移相全桥开发板上,这两个地也是接在了一起,这个倒是可以理解,我认为是前面有了一级隔离即ISO7240MDW
手册中的直连VSS与COM是为什么呢?
This thread has been locked.
If you have a related question, please click the "Ask a related question" button in the top right corner. The newly created question will be automatically linked to this question.
Hi
在同一侧的信号Gnd和功率GND是要隔离的,但是和数模转换中数字模拟GND一样隔离后是连接在一起的,避免noise影响。
好的 谢谢 感谢您的回复
您说的 模拟数字地连接在一起 我可以理解
但是对于功率电路 COM和VSS接在一起 芯片这样设计是否合理呢
COM在桥臂电路里接的是母线的N线 母线PN之间几百V的信号 MOSFET关断时的dv/dt应该是很难处理的很干净的吧
请问
1.既然是要接在一起 芯片设计时为什么不设计成在内部链接好的呢 为什么还要区分两种参考平面 做成两个引脚?
因为电源只有一个 所以这样区分两个参考平面是不是没什么意义呢
这是IR2110的典型电路 电源有两个 参考平面也有两个
2.如果需要使用者设计连接 这应该是一个关键设计吧 芯片手册我没有找到相关说明
3.TI 用28027替代UCC28951的开发板 为什么不是用和UCC28951同样的硬件电路(驱动芯片是UCC27714) ,而采用高频变压器驱动MOSFET呢?