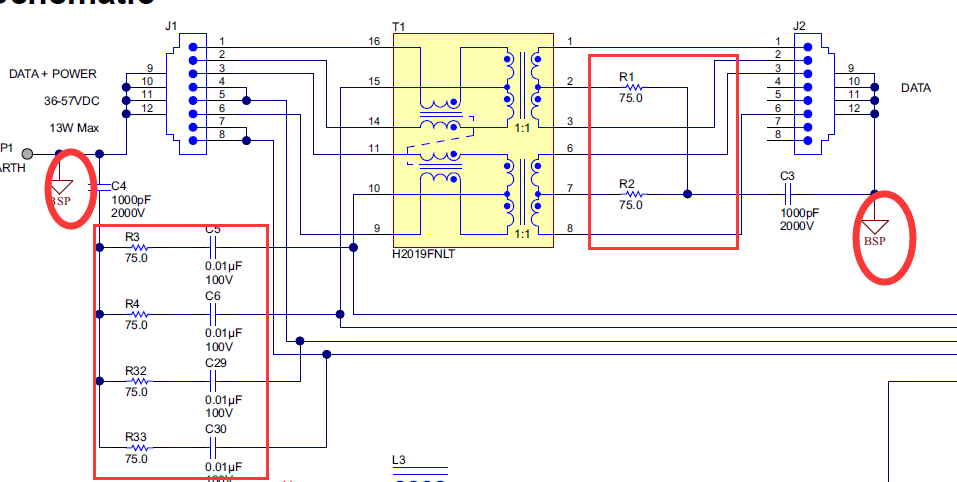
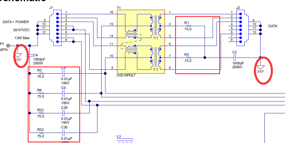
最近在做一些PD受电端的电源设计,现在心里有点疑惑,因为以前没有做过这方面的东西,发出来请教一下,如下图所示。
This thread has been locked.
If you have a related question, please click the "Ask a related question" button in the top right corner. The newly created question will be automatically linked to this question.
最近在做一些PD受电端的电源设计,现在心里有点疑惑,因为以前没有做过这方面的东西,发出来请教一下,如下图所示。