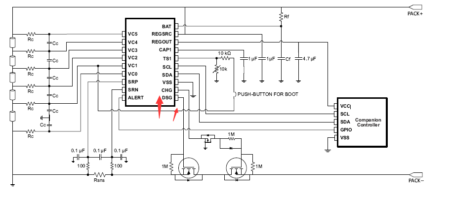
如下图典型的应用电路中,
如果充电使能引脚受单片机输入信号控制,只有单片机输入口为高电平,并且BQ76930寄存器06 07 08 中没有出现异常情况下才能启动充电使能,如下表格
| 序号 |
BQ76930(电池单体高、温度异常)判断真 假 |
单片机输入口 | 充电使能输出 |
| 1 | 1 | 1 | 0 |
| 2 | 0 | 1 | 1 |
| 3 | 1 | 0 | 0 |
| 4 | 0 | 0 | 0 |
如何实现,请各位指点下!
This thread has been locked.
If you have a related question, please click the "Ask a related question" button in the top right corner. The newly created question will be automatically linked to this question.
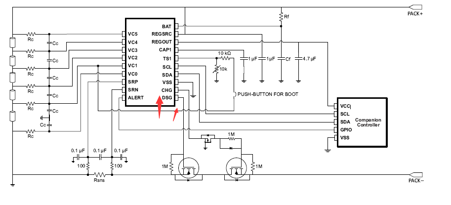
如下图典型的应用电路中,
如果充电使能引脚受单片机输入信号控制,只有单片机输入口为高电平,并且BQ76930寄存器06 07 08 中没有出现异常情况下才能启动充电使能,如下表格
| 序号 |
BQ76930(电池单体高、温度异常)判断真 假 |
单片机输入口 | 充电使能输出 |
| 1 | 1 | 1 | 0 |
| 2 | 0 | 1 | 1 |
| 3 | 1 | 0 | 0 |
| 4 | 0 | 0 | 0 |
如何实现,请各位指点下!
先配置保护值,打开CHG DSG标志位,启动BQ769X0,关闭受芯片控制这点明白,
我的问题是充电CHG口能配置成MCU输入端口和芯片寄存器状态都满足才启动CHG端口置高,否则为低电平