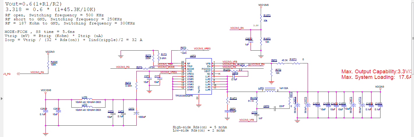
TPS53355下电时,电压会反复冲起来,最大值达到2.28V;原理图和量测的波形如附件;



P06_Power_VCC3V3.pdf
This thread has been locked.
If you have a related question, please click the "Ask a related question" button in the top right corner. The newly created question will be automatically linked to this question.
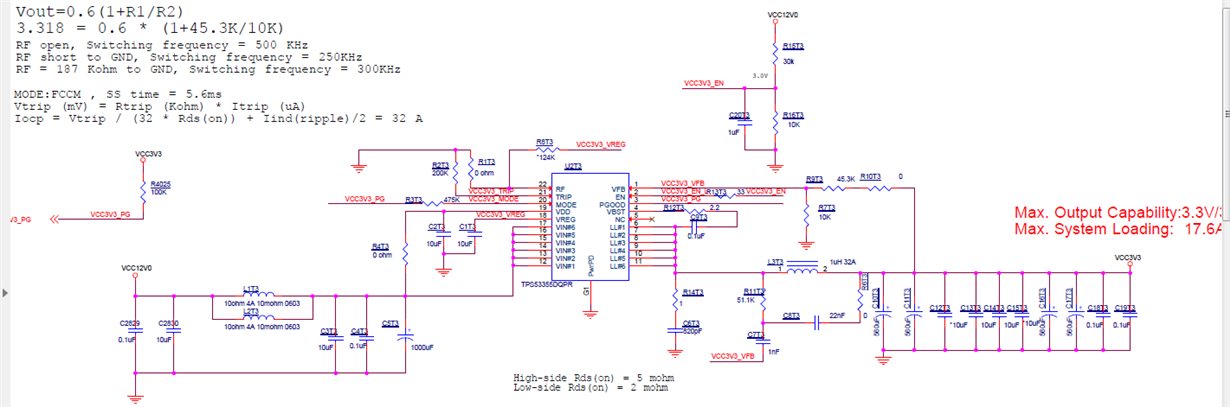
TPS53355下电时,电压会反复冲起来,最大值达到2.28V;原理图和量测的波形如附件;



P06_Power_VCC3V3.pdf
你的EN电容拿掉看下,看看是不是EN在掉电后海保持为高。另外尝试减小EN阻值,加快Vin电容放电,让Vin加快下跌到UVLO以下