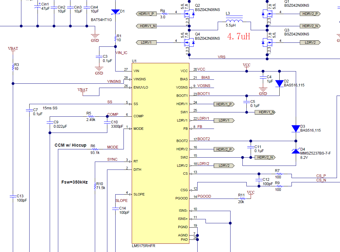
电路设计20~30V 输入
输出为4.2、8.4、24V这几个电压等级 3A
4.2V全输入电压范围有问题,8.4V 当输入电压升高问题会明显
参数参照TI设计
HDRV_1N 电压波形:
This thread has been locked.
If you have a related question, please click the "Ask a related question" button in the top right corner. The newly created question will be automatically linked to this question.