This thread has been locked.

If you have a related question, please click the "Ask a related question" button in the top right corner. The newly created question will be automatically linked to this question.

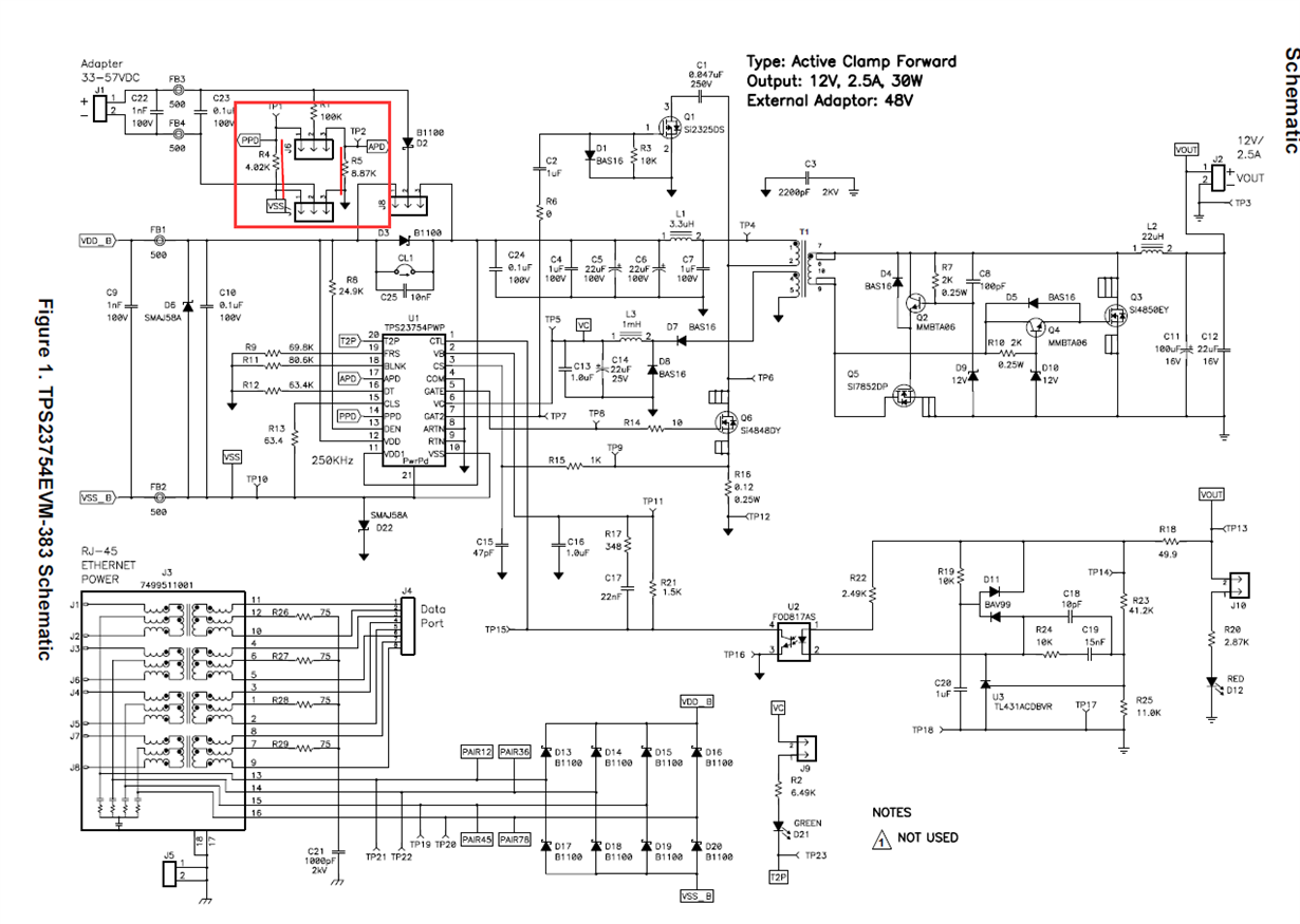
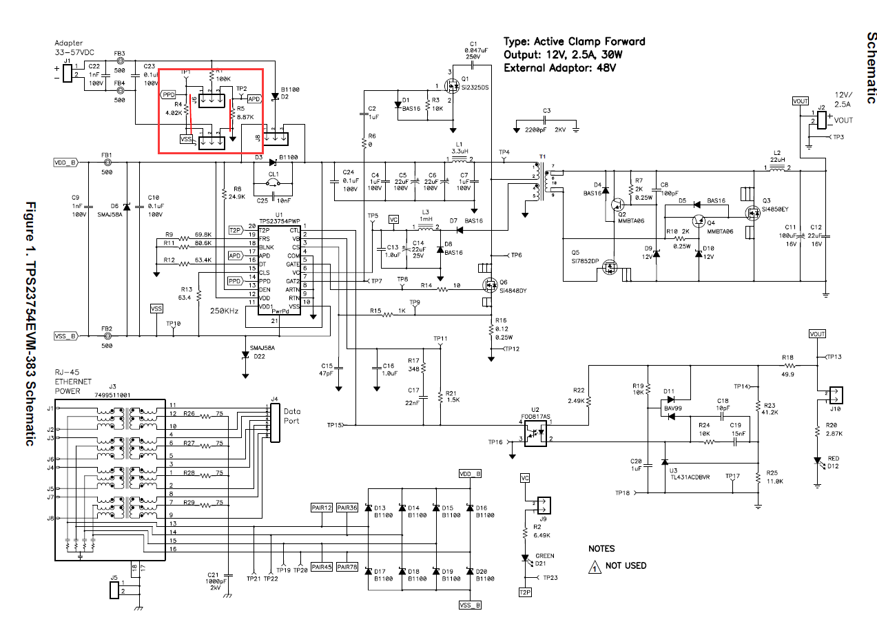
TPS23754PWPR 工作异常



按照SLVU304C文件电路  

VDDB-VSSB供电53V左右通电后,POE工作异常,工作模式以间隔21mS时间间隔启动,VC处电压异常;

APD接至RTN,PPD接至VSS

上图为VC处电压波形,会在VC波形下降沿时TPS23754PWPR 的PIN5有GATE有大约240K左右的开关动作

输出端VOUT波形

请协助分析,谢谢!