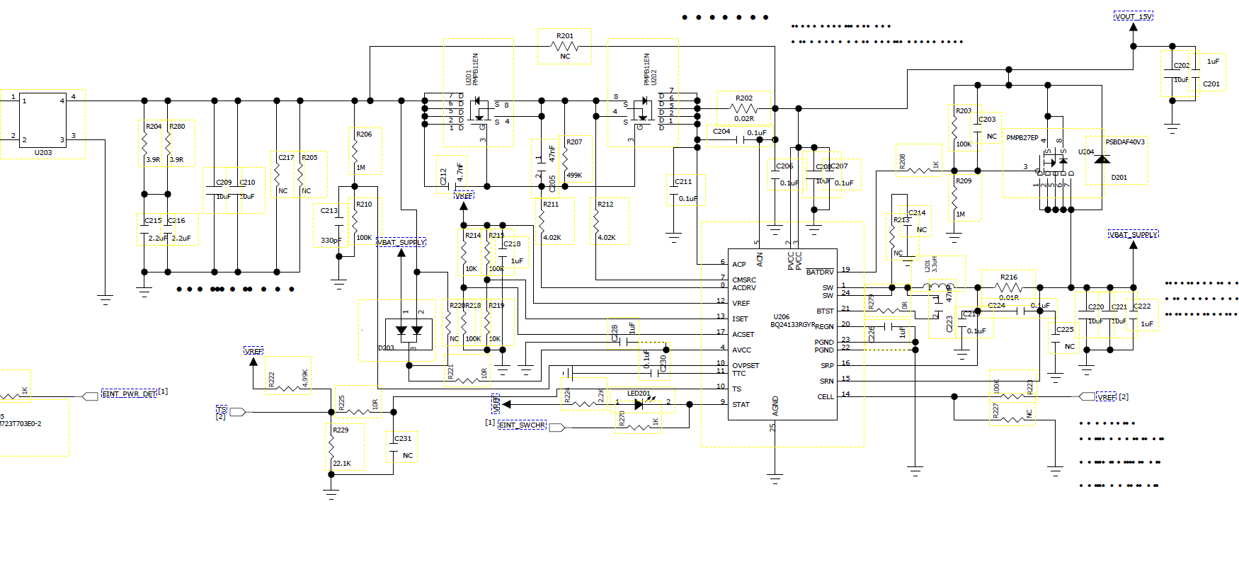
在使用BQ24133时,发现当电池电压接近DC输入电压时,外会出现电池供电和DC供电不停切换现象。具体发生的情景为上封邮件所述,这种现象可以解决吗?谢谢。
下图为电池端PMOS G极驱动脚波形(BATDRV)
This thread has been locked.
If you have a related question, please click the "Ask a related question" button in the top right corner. The newly created question will be automatically linked to this question.
在使用BQ24133时,发现当电池电压接近DC输入电压时,外会出现电池供电和DC供电不停切换现象。具体发生的情景为上封邮件所述,这种现象可以解决吗?谢谢。
下图为电池端PMOS G极驱动脚波形(BATDRV)