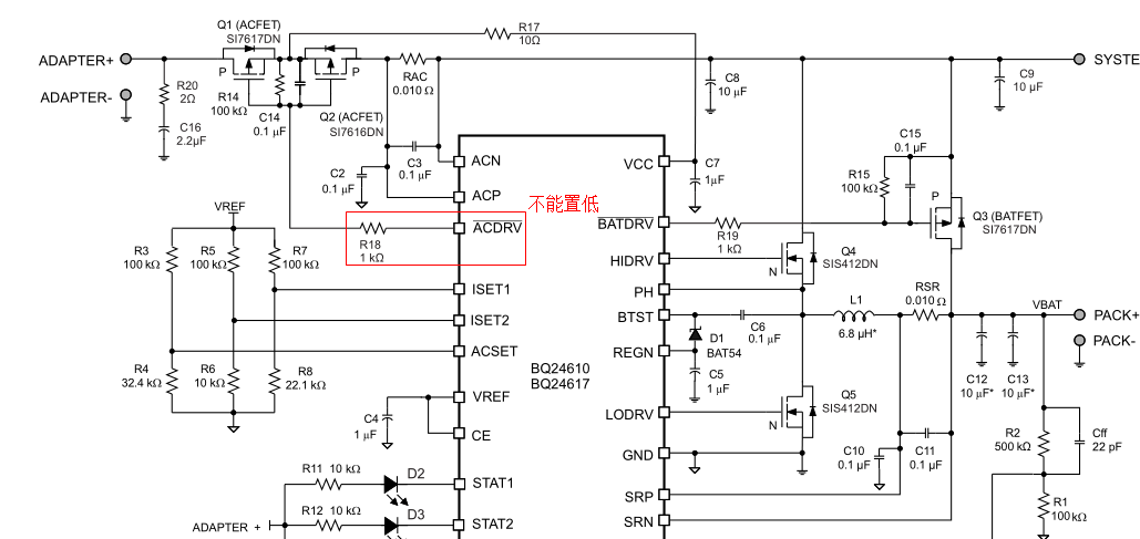
在使用BQ24610时,原理图基本参考官方的参考设计,主要改了一下MOSFET管型号。发现在外部输入电源的情况下,ACDRV无法拉低来使能前端的P管,BATDRV的LED灯与STAT1的LED灯点亮,这样就无法对电池充电;
但是如果强制将ACDRV拉低后,BATDRV灯灭了,充电电流也正常了。
请问ACDRV要置低的条件会有哪些?谢谢
This thread has been locked.
If you have a related question, please click the "Ask a related question" button in the top right corner. The newly created question will be automatically linked to this question.
在使用BQ24610时,原理图基本参考官方的参考设计,主要改了一下MOSFET管型号。发现在外部输入电源的情况下,ACDRV无法拉低来使能前端的P管,BATDRV的LED灯与STAT1的LED灯点亮,这样就无法对电池充电;
但是如果强制将ACDRV拉低后,BATDRV灯灭了,充电电流也正常了。
请问ACDRV要置低的条件会有哪些?谢谢
TI服务“按原样”提供。TI以及内容的各个供应商和提供者均没有声明这些材料适用于任何目的,并且不对这些材料提供保证和条件,包括但不限于任何隐含的适销性、针对特定用途的适用性、所有权和不侵犯任何第三方知识产权的所有默示保证和条件。TI以及内容的各个供应商和提供者均没有声明这些材料适用于任何目的,并且不对这些材料提供保证和条件。无论明示或默示,TI都没有通过禁止反言或其他方式授予任何许可。使用本网站的信息可能需要第三方的许可或TI的许可。
本网站的内容可能包含或受制于特定的使用指南或限制。本网站内容的所有发布和使用均根据本网站的使用条款;使用该内容的第三方同意遵守任何限制或指南,并遵守本网站的使用条款。TI、内容的供应商和提供者有权在任何时候对内容和材料、其产品、程序和服务进行更正、删除、修改、提升、改进和其他改变,或移动或停止任何内容、产品、程序或服务,恕不另行通知。