This thread has been locked.

If you have a related question, please click the "Ask a related question" button in the top right corner. The newly created question will be automatically linked to this question.

LM5118: 环路补偿计算表

Part Number: LM5118


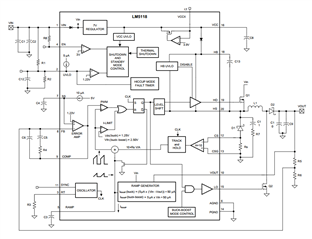
你好,我们现在正在对LM5118MHX环路补偿部分做优化,但根据贵司网上的《环路补偿很容易》PPT中关于电流模式升降压功率级的模型中出现了Vslope(斜坡补偿)参数;但该参数无论是在LM5118的功能框图还是电气参数中均未给出!

请问该如何才能获取Vslope参数值呢?

请帮忙提供相关的环路补偿计算表(Excel 表格)。