
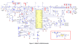
芯片采用BQ25713:
1)VBUS输入采用电源适配器5V 3A输入;
2)电池为单节磷酸铁锂电池3并(1S3P),电压范围2.8V~3.6V;
3)VSYS输出电压为5V 6A;
叫教下如果我去掉上述红框内3V3,仅电池供电,VSYS是否可以输出5V;
如果不能还行需要确保哪些电路的设计。
This thread has been locked.
If you have a related question, please click the "Ask a related question" button in the top right corner. The newly created question will be automatically linked to this question.
红框内电路的作用是为设备上的各个引脚产生3.3V上拉电压,如SCL/SDA/CMPOUT/CHRG_OK。 3.3V 由 VBUS(插入适配器时)或电池通过 SYS 引脚产生(没有插入适配器时)。如果移除此电路,则需要为这些引脚提供另一个上拉电压。它可以是 3.3V 或 5V。