This thread has been locked.

If you have a related question, please click the "Ask a related question" button in the top right corner. The newly created question will be automatically linked to this question.

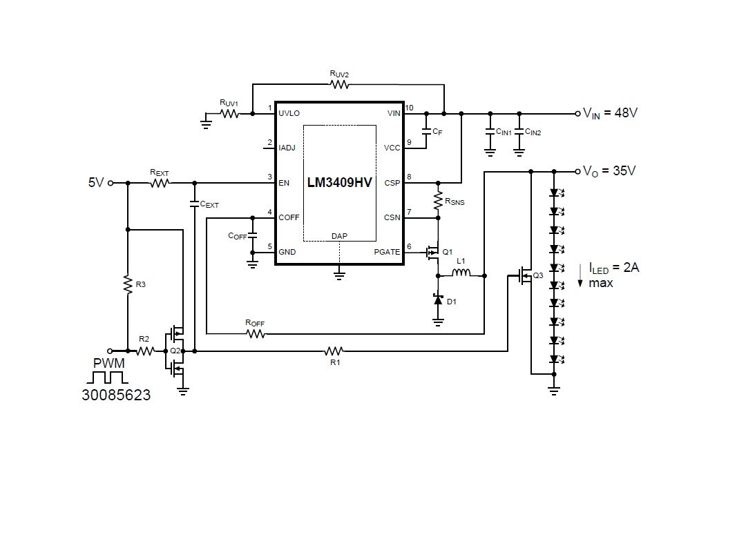
LED驱动电路咨询

Other Parts Discussed in Thread: LM3409HV

我选的LED是科瑞的CXA3050想用LM3409HV驱动,采用PWM方式控制亮度,PWM峰峰值5V 

输入电压:48VDC

LED峰值电流是2.5A

正向电压:37V

请教选用这个芯片驱动是否合适

如果合适的话这几个阻容电感mos应该选用什么型号参数的