This thread has been locked.

If you have a related question, please click the "Ask a related question" button in the top right corner. The newly created question will be automatically linked to this question.

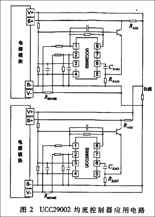
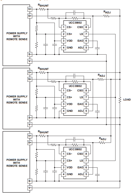
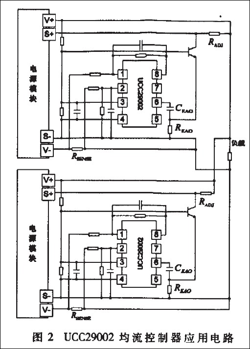
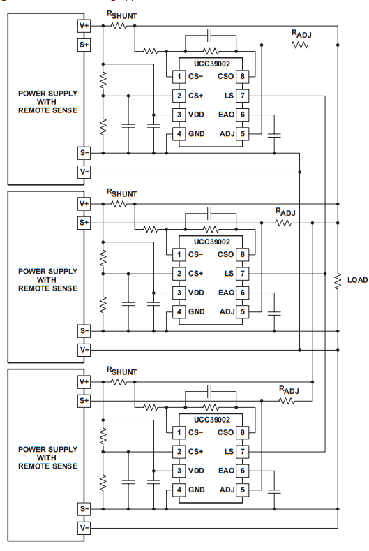
这个均流芯片电路,是不是弄错了

这个均流芯片电路,那个5脚没用上,是不是弄错了

文件中是那个论文,感觉弄错了,大家看看

基于UCC29002的电源均流电路设计.pdf