Hi
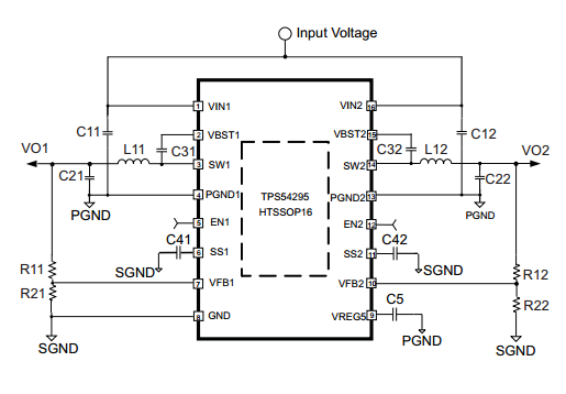
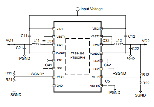
有谁测试过TPS54295 Vin1、Vin2是否是内部连接的,以至于Vin/Vin2必须用同样的电压? (swicherpro,datasheet 参考电路和layout都是用一个Vin)
This thread has been locked.
If you have a related question, please click the "Ask a related question" button in the top right corner. The newly created question will be automatically linked to this question.
Hi
你们提到的我在datasheet中有看到。
之所以有此疑问,是因为客户端,对于无法正常电压转换,仅仅将Vin1/Vin2电压统一,就可以正常工作了。
其实可以直接阻抗确认即可得知,只是没有芯片,才问一下。
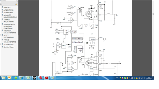
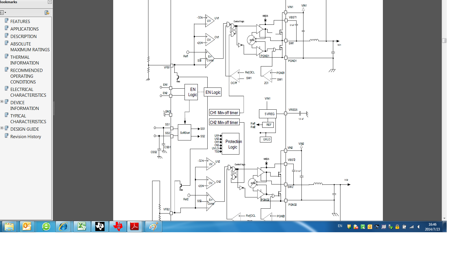
内部确实不是连接在一起的,不过你外部如果连接在一起,也是不影响使用的,所以问题可能在你的两个供电问题上,是否有过欠压?
如果已经使用了两个电压供电,却没有出现很大的电流,说明内部没有直接接一起。
但是有几点需要注意:两个DCDC不是完全独立的,内部有些电路是共用的,比如从框图可以看出,芯片内部很多模块是vin1供电的。
所以2能工作的前提是1能工作。
这是一款双通道同步Buck控制芯片,Vin1和Vin2分别是两路的供电电压,是分开的。
请问一下,如果只需要一侧的功能的话,用一片TPS54340/56528代替可以吗,不要求参数都一模一样