关于电源自动切换方案
1.问题描述:Zhe Hu 提出问题:在由直流供电到电池供电之间较好的切换方法请推荐,谢谢!另外长时间不用电池的话,老化问题有没有优化方法。
2.原文链接:http://www.deyisupport.com/question_answer/analog/power_management/f/24/t/689.aspx
3.解答问题的TI FAE: Liang Sun
4.个人的收获:提起电源自动切换方案,我遇到过要求低压输出并联运行,一起自动切换的。
当时在国外某规约转换器的项目中开发的,采用TI的芯片实现的功能。
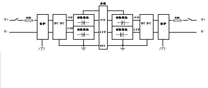
针对国外客户提出的支持双电源切换的需求。我们进行了双电源切换方案的设计,并增加了故障信号指示和报警的电路,既当一块电源板出现故障时,自动切断该板的工作指示灯,并给出故障报警信号,同时另一块电源板自动投入工作。
该电源切换模块的外观见下图:
原理图如下:
每块电源板上都有5V和3.3V输出,一块电源板的供电出现故障,另一块电源板的5V和3.3V输出供电。