1.问题描述:harry luo提出问题:
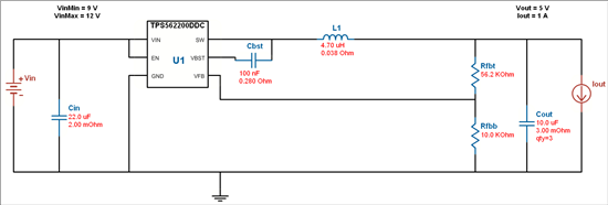
这样一个简单的+12V转+5V输出,即使新的芯片换上,把D1断开,也是一来就烧,VFB电压8.5V(如果改成输入+5V,输出+2.4V的话,VFB=4.2V)。layout已经很注意,量过没有短路现象,好几块板子都这样。。。郁闷了
怀疑自己买到假货,刚申请了样片,回来再试试,希望没问题
This thread has been locked.
If you have a related question, please click the "Ask a related question" button in the top right corner. The newly created question will be automatically linked to this question.

这样一个简单的+12V转+5V输出,即使新的芯片换上,把D1断开,也是一来就烧,VFB电压8.5V(如果改成输入+5V,输出+2.4V的话,VFB=4.2V)。layout已经很注意,量过没有短路现象,好几块板子都这样。。。郁闷了
怀疑自己买到假货,刚申请了样片,回来再试试,希望没问题