This thread has been locked.

If you have a related question, please click the "Ask a related question" button in the top right corner. The newly created question will be automatically linked to this question.

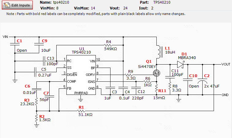
TPS40210

Other Parts Discussed in Thread: TPS40210

电路图见附件。用TPS40210芯片将输入电压8到12V的直流转变为24V直流输出,电感没有找到18uh的,用的是22Uh,0.27uf的电容用的是0.1uf代替,15毫欧姆的电阻没接,但三极管irf640发热严重,且被烧坏冒烟。请问如何解决?谢谢!!!另请说明图中C2值为2*47uf,请问这两个电容怎样连接?谢谢您的回复!