This thread has been locked.

If you have a related question, please click the "Ask a related question" button in the top right corner. The newly created question will be automatically linked to this question.

TPS65279上电没多久就烧片

Other Parts Discussed in Thread: TPS65279, TPS562200

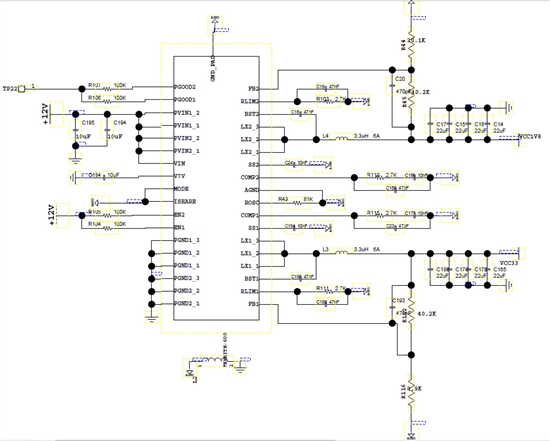
原理图如下:

目前的问题如题。整个设计参照slvu961的TPS65279开发板来做的,目前怀疑的问题有两个:

1. enable电压过高。但是通过100K的电阻之后应该会有较大的压降才对,后来我把enable电压换做5V和3V测试,还是会烧片子。

2. Rlim过小。这导致buck上的电流几乎没有限制,这是否会导致芯片被烧掉?

同样的设计,只是enable电压是3.3v,在另一款板卡上反复上电就没问题。请行家能够指点一二!

  • 空载反复上下电就烧吗? 芯片失效后测量过片子吗,哪几个引脚有问题?

  • 空载上电时间久了也会烧。最直观就是输出对地短路,因为已经失效了,所以我只能够对比一下正常工作的另外一款板卡的片子上的各引脚输出。首先就是V7V应该是6.3V的电平,但是坏片只有4.8V左右。然后SS引脚好片实测为2V左右,坏片为低。RLIM引脚,好片的电平较低,400mV左右,坏片都在3V以上。地上面都比较干净。我暂时觉得不是过流或者enable过压的原因,但是又没有其它的思路……

  • 你好,之前提过的问题我暂时还没有找到症结所在,设计基本参考TPS65279的开发板,特别是这个设计在另一款板卡上用着就十分正常,到这一块就不行了。回头看开发板SLVU961的设计,有一个地方我不太明白:

    连接到FB和电压输出的C32有470pF,它具体有什么作用呢?

  • 自己再顶一下,在论坛上偶然看到TPS562200烧片的问题,http://www.deyisupport.com/question_answer/analog/power_management/f/24/t/70219.aspx。里面说是去掉前馈电容就解决了。前馈电容不是起补偿作用么?至于把芯片也烧掉么?TPS65279烧片会否是同样的原因呢?求指教!

  • 亲;建议测一下波形。测以前;可以用限流的办法防止烧片。

    至于另贴;完全有这个可能,前馈不当会引起自激等问题,对于同步BUCK;意味着有自激环流,如果环流够大;IC会烧的。

  • 你好,上次取掉前馈电容之后,焊接上新的电源芯片,上电后能够正常工作一段时间了,不过两天后还是有一个电源芯片被烧坏。拿回再次重新焊接好的板子,我测试了一下之前坏掉的那个芯片位置上的电源输出波形:

    LX1对应2.0V:

    LX2对应1.2V:

    可以看到1.2V的波形不怎么好,芯片之前最开始烧掉的也是1.2V的这一路。板卡上有两个TPS65279,另一个自从取掉前馈之后就没有出过问题,它其中一个1.8V的输出波形如下:

    它的波形就比较好。另外就是被烧掉的那块芯片工作的时候会发出兹兹的声音,同样的位置目前的那一块仔细听还是会有这样的声音。请高手能够帮忙看一下波形,它反映芯片当前工作在什么样的状态?这个状态会导致芯片被烧掉么?我目前没有接任何负载,电感输出端测出来的电流也只有0.18V左右。谢谢!

  • 自己顶一下。我把2.0V和1.2V的分压电阻换了一下,LX2(即原来1.2V的位置)输出2.0V,输出波形与之前的1.2V差不多。我仔细检查了外围没发现这一路的波形有能受到很大干扰的地方。还是求高手能够指点一二!

  • 可否看下你的buck输入电容与芯片引脚的连接方式,这个电容连接不当,容易造成MOS管电压过应力而烧毁短路。

  • Jason:

    你好!输入电容连接不当具体是指电容值不当?布局不当?或者是布线宽度不够?我采用的12V稳压电源供电,给板卡上电之前也单独对这个电源做过测试,输出电压非常稳,应该不会出现过压的问题。

  • 亲;加大输出电容,在R321上并个100pF左右电容试试。

  • 请教下大神,我现在想用65279来实现Vin 16.8V,Vout 12V输出, 可以做到吗?为何我分压电阻按数据手册上算出的值来搭R1=91K,R2=5K,但是Vout始终得不到正常值,也就是12V?请大神救救在下,感激不尽。

  • 请教下大神,我现在想用65279来实现Vin 16.8V,Vout 12V输出, 可以做到吗?为何我分压电阻按数据手册上算出的值来搭R1=91K,R2=5K,但是Vout始终得不到正常值,也就是12V?请大神救救在下,感激不尽。

  •  推荐去TI官网的Webench进行仿真从而得到电路的参数。

  • 不知道你测到的不正常的值是多少,我用公式算了一下,感觉R1为91K时,R2用4.7K左右似乎比较好。手册里面说“If the values are too high, the regulator is more susceptible to noise and voltage errors from the FB input current are noticeable”,R1的选择依据是什么呢?还是建议先在webench中仿真先。