This thread has been locked.

If you have a related question, please click the "Ask a related question" button in the top right corner. The newly created question will be automatically linked to this question.

用LM1117-ADJ做程控电源



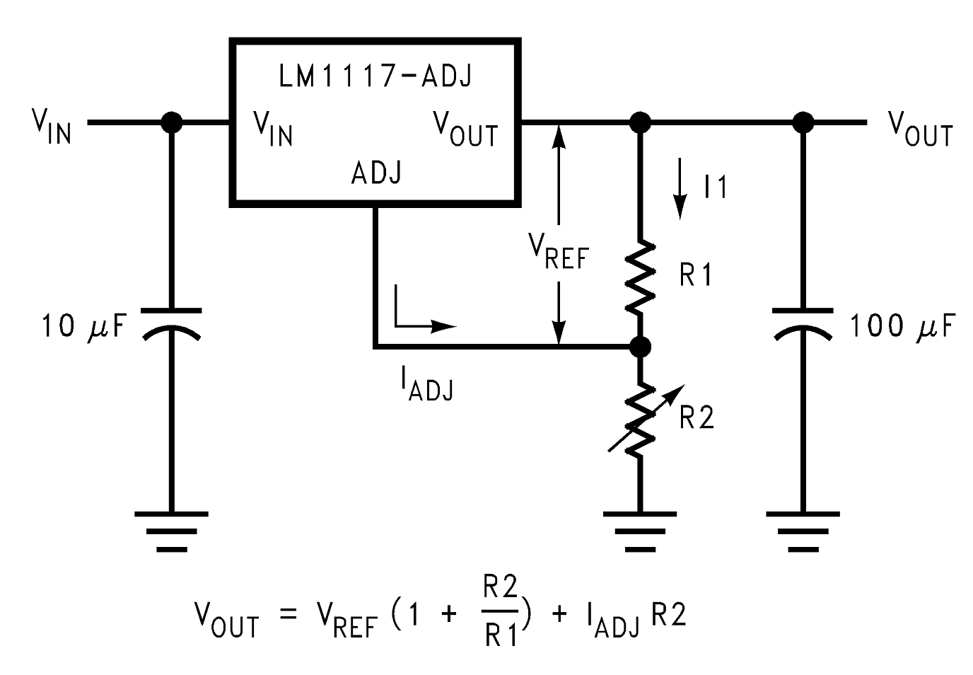
我准备做一个程控电源,R2为程控电阻,通过控制R2的阻值控制输出电压。但程控电阻最大能通过2mA的电流,为了限流,电阻R1达到至少625欧姆。

计算如下:

Vout≈Vref*(R1+R2)/R1

Vout/(R1+R2)≈Vref/R1≈I2(通过R2的电流)

I2<2mA

Vref/R1<2mA

1.25V/R1<2mA

R1>625欧姆

为给个余量,我若把R1定位1K, 电路能按我的设想工作吗,考虑到产品手册上说“Its value is normally in the range of 100-200Ω”(第九页公式1下面一行)?1K的R1对电路有什么影响?

  • 亲;只要输出加个假负载,使得最小负载电流不小于1.7mA,R1有机会用1k欧电阻。当然,电阻大了后,分散性和精度会差些。目前,你的电路有个问题,当R2开路时,输出会飘的很高,建议R2并个电阻限制一下,即解决精度/分散性与阻值之间矛盾,还能提高稳定性,限制最高输出电压。

  • "只要输出加个假负载,使得最小负载电流不小于1.7mA,R1有机会用1k欧电阻。当然,电阻大了后,分散性和精度会差些。"

    这句话没看懂,这句话以后的内容懂的。

    1)假负载加在LM1117-ADJ的输出端和地之间吗?

    2)最小负载电流是否包括流经R1和R2的电流?而且为什么要大于等于1.7mA呢?

    3)什么是分散性?指的是稳定性吗,纹波系数?

  • 亲,关于1);是的输出与地的负载总电流。2);是包括R1R2电流。3);由于不同温度和负载及不同IC的调节端电流不同,如果R1R2电流与调节端电流越接近,误差及每片IC在相同控制情况下的输出不一样。这个不同就是分散性。

  • 问题2还没有理解透彻,最小负载电流是流经R1和R2的电流与真负载的电流之和?为什么要大于等于1.7mA呢,1.7mA是怎么来的?

    谢谢xp