This thread has been locked.

If you have a related question, please click the "Ask a related question" button in the top right corner. The newly created question will be automatically linked to this question.

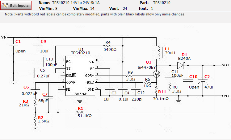
TPS40210空载时输出电压正常,带负载输出电压比空载时下降10V左右???



输入电压8到14V,输出电压24V,1A,空载时输出电压约为23.5V,但带载10欧姆左右的水泥电阻时,输出电压约为11V左右,请问是什么原因?谢谢大神指导。