This thread has been locked.

If you have a related question, please click the "Ask a related question" button in the top right corner. The newly created question will be automatically linked to this question.

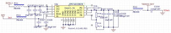
如何提高TPS74801DRCR的效率



输入1.8v 转 1v 输出   效率如何计算??

在F211 之后串联一个SS34A 二极管,是否可行??