To understand PMOS, we first need to know: what is MOS?
MOS stands for Metal-Oxide-Semiconductor Field-Effect Transistor. As the name suggests, M stands for metal, O for oxide, and S for semiconductor. In summary, it is a type of semiconductor device that uses metal and oxide layers.
In electronic circuits, metals are used when conductivity is needed, and insulating materials are used when conductivity is not needed. So, how do we get something that can both conduct and not conduct electricity?
The answer is semiconductors.

Today, we are discussing MOS, which is one type of semiconductor.
MOS has semiconductor properties that allow it to conduct electricity at times and insulate at others, acting as a switch in the circuit. PMOS is a type of MOS distinguished from NMOS by the channel type.
PMOS Working Principle
Since PMOS functions as a switch, we need to understand how it turns on and off.
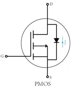
First, we need to know that PMOS has an n-type substrate and a p-type channel. The direction of the current is from the source to the drain, carried by the flow of holes.

Low-Level Drive
PMOS is a low-level drive circuit, meaning that when the gate-source voltage (Vgs) is below a certain value, it will turn on. This is suitable when the source is connected to VCC (high-side drive). On the other hand, when Vgs is greater than or equal to a certain value, PMOS will turn off.
In this way, the gate voltage acts like an invisible hand that controls whether PMOS is on or off by controlling the voltage level, thereby forming or cutting off the current in the circuit. Isn't it fascinating?

Advantages of PMOS
As one of the key players in MOSFETs, PMOS has irreplaceable functions and advantages.
1、Low Noise: PMOS has lower noise than NMOS, making it suitable for use in analog circuits.
2、High Threshold Voltage: PMOS typically has a higher threshold voltage, providing strong interference resistance.
3、Low Power Consumption: In a static state, PMOS has low current loss.
Applications of PMOS in Different Industries
Thanks to its advantages, PMOS has penetrated various industries, and you can find its presence in many devices you use every day.
In terms of market applications, the number one sector is consumer electronics. Devices like smartphones and tablets, which you are likely familiar with, all feature PMOS. PMOS is mainly used in key components such as microprocessors, memory chips, and display driver circuits, helping these devices maintain long battery life.

The second sector is computer networks, including processors, memory, and routers. PMOS plays roles in data storage, logical computation, and signal regulation.
Third on the list are network communications, industrial control, automotive electronics, and power equipment. The demand for MOSFETs in these industries is also high, especially in automotive electronics, which now rivals consumer electronics in MOSFET demand.
Future Development of PMOS
The future development of PMOS transistors will focus on improving performance, reducing power consumption, increasing integration, and expanding application areas. New materials, advanced manufacturing processes, 3D integration technologies, and integration with emerging technologies like artificial intelligence and quantum computing will be the main directions for PMOS development.