This thread has been locked.

If you have a related question, please click the "Ask a related question" button in the top right corner. The newly created question will be automatically linked to this question.

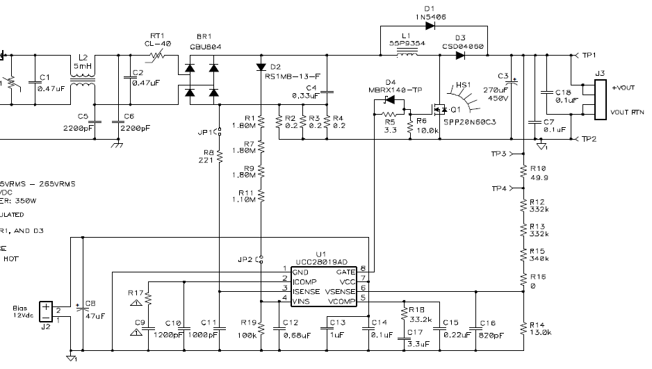
PFC 芯片ucc28019 加负载测试,功率超过300多瓦的时候,功率和效率就变得很差很差!

Other Parts Discussed in Thread: UCC28019

ucc28019加负载测试在300W以内测试时,效果很好,功率因数99%,效率高达95-96.7%。

超过300瓦以后:我只测试过500W的,刚开始一会效果也是很好,可是过了这一会,电感巨响,功率因数和效率同时开始变差,波动很厉害,不是是什么原因,请各位专家指点下。(一会:大概一分钟吧,负载越大,这时间越短。)