This thread has been locked.

If you have a related question, please click the "Ask a related question" button in the top right corner. The newly created question will be automatically linked to this question.

TLV61048: TLV61048 输出电压不稳,突然下跌

Part Number: TLV61048

      

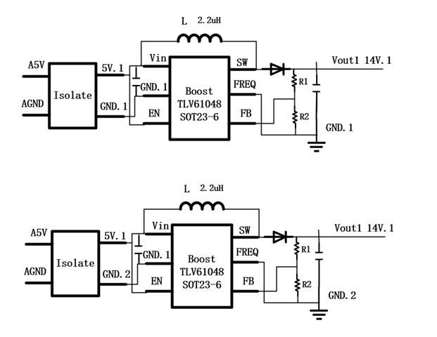
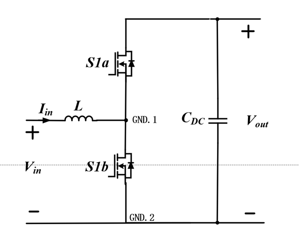
第一张图为boost驱动供电方案,第二张为电路拓扑,为boost电路,占空比D=0.5.当输入电压较低时,tlv61048正常供电,输出电压14V,tlv61048的二极管为肖特基,反向耐压30V,但随着输入电压增加到50V,上管的tlv61048供电出现下跌,但是不大,只有一两伏,再随着输入电压变大,Vin=65V,Vout=130V,此时上管tlv61048输出供电从14V变成5V,图3绿色为下管驱动波形,橙色为上管驱动波形,此时因供电下降,上管驱动波形电压也下降为到5V左右,蓝色为电感电流,此时,因上管供电不足,开关管变成二极管工作方式了,紫色是上管的TLV61048的Vsw电压波形,可以看到此时tlv61048不能正常工作,而下管tlv61048正常工作,因此我猜测是否是因为上管tlv61048的地为跳变电压,因此随着电压升高导致tlv61048输出不正常,而下管地为安静地,因此能正常工作。还希望能帮忙解惑。谢谢