This thread has been locked.

If you have a related question, please click the "Ask a related question" button in the top right corner. The newly created question will be automatically linked to this question.

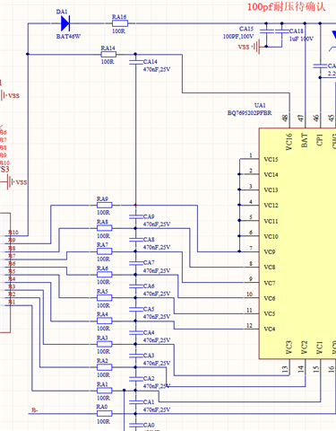
BQ76952: EMC Test(RS-Radio Sensitivity) failure

Part Number: BQ76952
Other Parts Discussed in Thread: BQ76930

In Radio Sensitivity test ,we found the voltage collect is failure. In fact, the cell voltage is 3.6V, but the AFE voltage collect is 4.4V,the test frequency band is 80 MHz.