This thread has been locked.

If you have a related question, please click the "Ask a related question" button in the top right corner. The newly created question will be automatically linked to this question.

TPS40422: CS1P和CS1N衰减电阻

Part Number: TPS40422

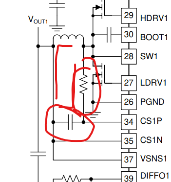
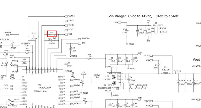
1.我的设计中L1电感DCR是13.5mΩ,此时当电流超过是4.4A时,CS1P 和CS1N之间电压超过60mV,请问R7选多大阻值?

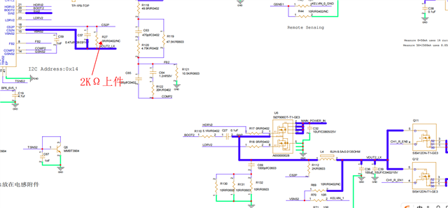
2.R7我使用2KΩ时,IOUT_CAL_GAIN应该写入什么值?L1电感实际DCR值?