Part Number: AM625
Other Parts Discussed in Thread: SYSCONFIG, , AM623
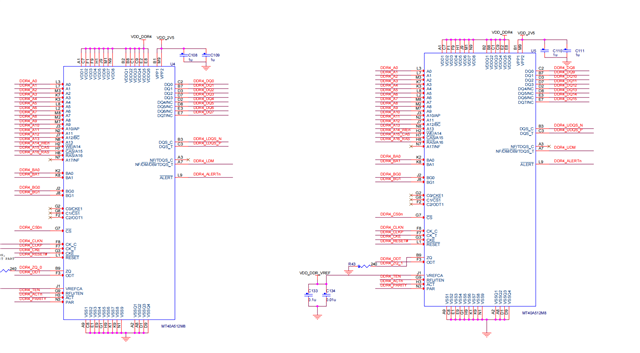
1、DDR硬件梳理:
(1)使用两片DDR4芯片,为ISSI IS46QR81024A-083TBLA2,1G*8的芯片
(2)硬件原理为:DDR0_A0~A13、DDR0_WE_N、DDR0_CAS_N、DDR0_RAS_N、DDR0_CS0_N、DDR4_CKE等都接到两个DDR;DDR4_DQ0~DQ7接到其中一个DDR、DDR4_DQ8~DQ15接到另一个DDR。(两个DDR除了DQ,其他的连接都一样)
2、使用sysconfig配置:
参考说明:
https://e2e.ti.com/support/processors-group/processors/f/processors-forum/1358039/faq-board-bring-up-tips-for-sitara-devices-am64x-am243x-am62x-am62l-am62ax-am62d-q1-am62px
(1)配置信息情况:
DDR Memory Type :DDR4
Reference Design:None
Memory Frequency (MHz):800
Data Bus Width (per device) :16
Density (per device) (Gb):8
Chip Selects / Ranks:2
CL (nCK):10
CWL (nCK):9
Processor DQ0 -> Memory DQ0
Processor DQ1 -> Memory DQ1
Processor DQ2 -> Memory DQ4
Processor DQ3 -> Memory DQ6
Processor DQ4 -> Memory DQ2
Processor DQ5 -> Memory DQ3
Processor DQ6 -> Memory DQ7
Processor DQ7 -> Memory DQ5
Processor DM0 -> Memory DMI0
Processor DQ8 -> Memory DQ12
Processor DQ9 -> Memory DQ14
Processor DQ10 -> Memory DQ10
Processor DQ11 -> Memory DQ9
Processor DQ12 -> Memory DQ11
Processor DQ13 -> Memory DQ15
Processor DQ14 -> Memory DQ8
Processor DQ15 -> Memory DQ13
Processor DM1 -> Memory DMI1
其余默认可以吗?
问题:这样配置我我们板卡启动不了卡在SPL initial stack usage: 13392 bytes


