This thread has been locked.

If you have a related question, please click the "Ask a related question" button in the top right corner. The newly created question will be automatically linked to this question.

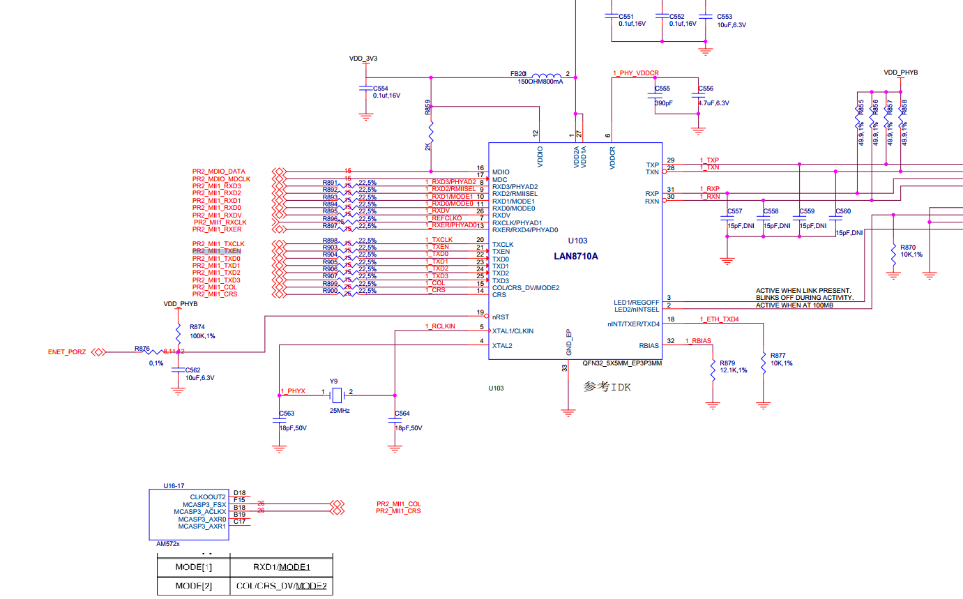
am572x pruss_emac 不能工作



各位大神:

自己参照5728idk做的板子,pruss_emac 只画了一个网口,phy芯片采用lan8710 。这样能不能工作,这样的原理图能够工作吗?求指教