This thread has been locked.

If you have a related question, please click the "Ask a related question" button in the top right corner. The newly created question will be automatically linked to this question.

AM335x的PHY AR8031换成LAN8710a



Hi 朋友们,

我遇到这样的问题: AM335x的PHY  AR8031换成LAN8710a, 修改驱动后,现在能够ping通主机,但有丢包现象,系统启动打印如下:

Configuring network interfaces... [   10.135635] jin+ net cpsw_slave_open(), priv->ndev->name=eth0, slave->data->phy_id=0:01
[   10.287035] jin+ net cpsw_slave_open(), priv->ndev->name=eth1, slave->data->phy_id=0:00
[   10.295576] PHY 0:00 not found
udhcpc (v1.20.2) started
Sending discover...
[   13.208297] PHY: 0:01 - Link is Up - 100/Full

然后ping主机打印如下:

root@ok335x:~# ifconfig
eth0      Link encap:Ethernet  HWaddr 7C:66:9D:1A:F2:BD 
          inet addr:192.168.6.241  Bcast:192.168.6.255  Mask:255.255.255.0
          UP BROADCAST RUNNING MULTICAST  MTU:1500  Metric:1
          RX packets:3003 errors:0 dropped:38 overruns:0 frame:0
          TX packets:21 errors:0 dropped:0 overruns:0 carrier:0
          collisions:0 txqueuelen:1000
          RX bytes:206104 (201.2 KiB)  TX bytes:2020 (1.9 KiB)

eth1      Link encap:Ethernet  HWaddr 7C:66:9D:1A:F2:BF 
          UP BROADCAST ALLMULTI MULTICAST  MTU:1500  Metric:1
          RX packets:0 errors:0 dropped:0 overruns:0 frame:0
          TX packets:0 errors:0 dropped:0 overruns:0 carrier:0
          collisions:0 txqueuelen:1000
          RX bytes:0 (0.0 B)  TX bytes:0 (0.0 B)

lo        Link encap:Local Loopback 
          inet addr:127.0.0.1  Mask:255.0.0.0
          UP LOOPBACK RUNNING  MTU:16436  Metric:1
          RX packets:124 errors:0 dropped:0 overruns:0 frame:0
          TX packets:124 errors:0 dropped:0 overruns:0 carrier:0
          collisions:0 txqueuelen:0
          RX bytes:353251 (344.9 KiB)  TX bytes:353251 (344.9 KiB)

root@ok335x:~# ping 192.168.6.244
PING 192.168.6.244 (192.168.6.244): 56 data bytes
64 bytes from 192.168.6.244: seq=1 ttl=64 time=0.942 ms
64 bytes from 192.168.6.244: seq=2 ttl=64 time=0.838 ms
64 bytes from 192.168.6.244: seq=3 ttl=64 time=0.890 ms
64 bytes from 192.168.6.244: seq=4 ttl=64 time=0.871 ms
64 bytes from 192.168.6.244: seq=9 ttl=64 time=0.899 ms
64 bytes from 192.168.6.244: seq=10 ttl=64 time=0.819 ms
64 bytes from 192.168.6.244: seq=11 ttl=64 time=0.878 ms
64 bytes from 192.168.6.244: seq=13 ttl=64 time=0.834 ms
64 bytes from 192.168.6.244: seq=16 ttl=64 time=0.791 ms
64 bytes from 192.168.6.244: seq=17 ttl=64 time=0.831 ms
64 bytes from 192.168.6.244: seq=18 ttl=64 time=0.809 ms
64 bytes from 192.168.6.244: seq=20 ttl=64 time=0.830 ms
64 bytes from 192.168.6.244: seq=22 ttl=64 time=0.874 ms
64 bytes from 192.168.6.244: seq=25 ttl=64 time=0.842 ms
64 bytes from 192.168.6.244: seq=26 ttl=64 time=0.830 ms
64 bytes from 192.168.6.244: seq=27 ttl=64 time=0.856 ms
64 bytes from 192.168.6.244: seq=28 ttl=64 time=0.780 ms
64 bytes from 192.168.6.244: seq=42 ttl=64 time=0.866 ms
64 bytes from 192.168.6.244: seq=43 ttl=64 time=0.914 ms
64 bytes from 192.168.6.244: seq=44 ttl=64 time=0.888 ms
64 bytes from 192.168.6.244: seq=45 ttl=64 time=0.842 ms
64 bytes from 192.168.6.244: seq=46 ttl=64 time=0.870 ms
^C
--- 192.168.6.244 ping statistics ---
48 packets transmitted, 22 packets received, 54% packet loss
round-trip min/avg/max = 0.780/0.854/0.942 ms
root@ok335x:~#

 

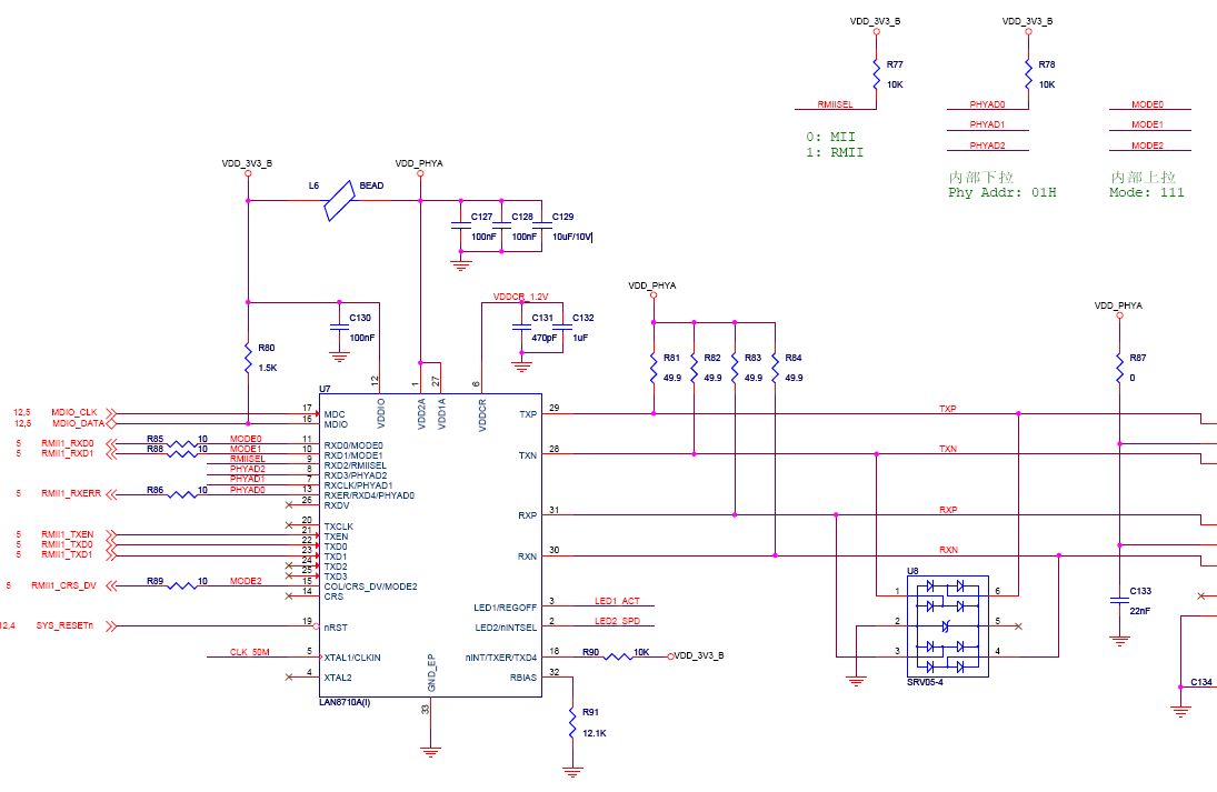
电路图如 附件:sch.jpg

我的pinmux 如下:

/* Module pin mux for rmii1 */
static struct pinmux_config rmii1_pin_mux[] = {
 {"mii1_crs.rmii1_crs_dv", OMAP_MUX_MODE1 | AM33XX_PIN_INPUT_PULLDOWN},
 {"mii1_rxerr.mii1_rxerr", OMAP_MUX_MODE1 | AM33XX_PIN_INPUT_PULLDOWN},
 {"mii1_txen.mii1_txen", OMAP_MUX_MODE1 | AM33XX_PIN_OUTPUT},
 {"mii1_txd1.mii1_txd1", OMAP_MUX_MODE1 | AM33XX_PIN_OUTPUT},
 {"mii1_txd0.mii1_txd0", OMAP_MUX_MODE1 | AM33XX_PIN_OUTPUT},
 {"mii1_rxd1.mii1_rxd1", OMAP_MUX_MODE1 | AM33XX_PIN_INPUT_PULLDOWN},
 {"mii1_rxd0.mii1_rxd0", OMAP_MUX_MODE1 | AM33XX_PIN_INPUT_PULLDOWN},
 {"rmii1_refclk.rmii1_refclk", OMAP_MUX_MODE0 | AM33XX_PIN_INPUT_PULLDOWN},
 {"mdio_data.mdio_data", OMAP_MUX_MODE0 | AM33XX_PIN_INPUT_PULLUP},
 {"mdio_clk.mdio_clk", OMAP_MUX_MODE0 | AM33XX_PIN_OUTPUT_PULLUP},
 {NULL, 0},
};

请朋友们帮我分析一下,丢包会是什么原因?

谢谢了!

 Kim

 

 

 

 

 

多谢朋友们支持了!

Kim