尊敬的支持团队
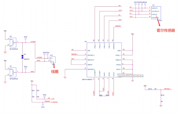
开发板上安装了AKM的霍尔传感器,型号为:HG-302S,GSEL1拉高(5V)、GSEL2拉低(0V),在上电后不进行测量电流动作,ICOMP1输出4.7V、ICOMP2输出0.4V与规格书描述输出2.5V不符,烦请帮忙看一下是啥问题,原理图如下


This thread has been locked.
If you have a related question, please click the "Ask a related question" button in the top right corner. The newly created question will be automatically linked to this question.
尊敬的支持团队
开发板上安装了AKM的霍尔传感器,型号为:HG-302S,GSEL1拉高(5V)、GSEL2拉低(0V),在上电后不进行测量电流动作,ICOMP1输出4.7V、ICOMP2输出0.4V与规格书描述输出2.5V不符,烦请帮忙看一下是啥问题,原理图如下


您好,使用的是开发板是吗?要检查下jumper位置是否都正确。
我看电路图REFSEL1=5V,REFSEL2=0,这样的话使用的是3.3V传感器。
您应该使用的是5V的吧?5V的话REFSEL1=REFSEL2=GND。
