
您好!在使用ADC36664时,进行内部NCO数字混频低通滤波之后,发现A、B两个通道的信号相位反相,相差约180度,我想了解一下A、B两通道的混频源是否是独立的,或者是同源但是相位相差180度。如图1所示,1、2分别为通道A的实部和虚部,3、4分别为通道B的实部和虚部。
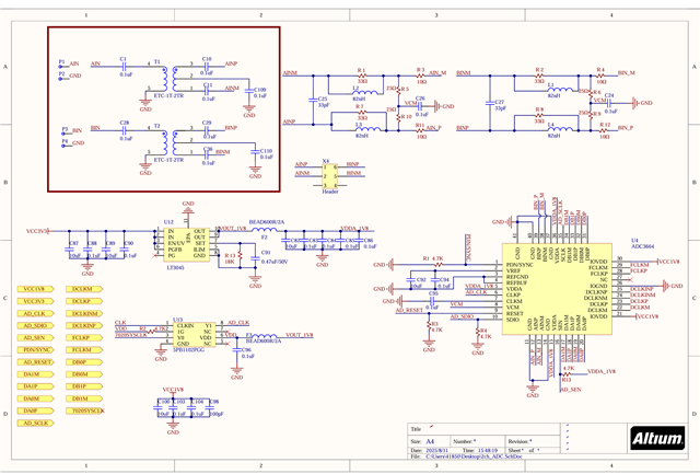
如果您在TI的ADC3664EVM上使用您的设计或捕获数据,请告知我们? 如果是TI EVM,请提供EVM的图片,以便我们知道您使用的是哪个版本的EVM。我们最近更新了它们。
对于 DDC A 和 DDC B,有两个独立的 NCO。分享您的原理图和寄存器配置可能会有所帮助,这样我们可以帮助您排查此问题。