主题中讨论的其他器件: TPA3251
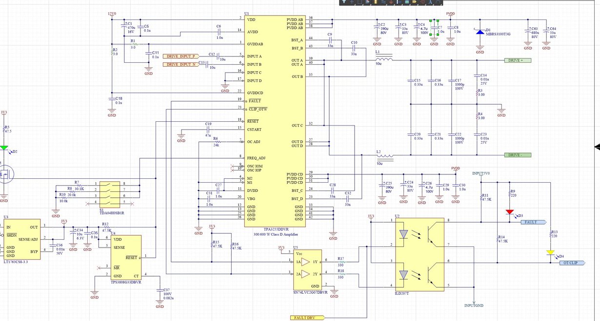
我有一个使用 TPA3255的设计。 我的设计非常接近数据表图31中的示例。 我已附上此部分的 pdf。 一般而言、该设计符合我的预期、只是我无法接近预期的功率。 PWM 输出在57v 电源轨上以全电压(约114V)运行、但无论负载如何、我可以获得的最大正弦电压都是57V P-P 左右。 即使是空载、我也只能达到大约60V P-P 此时、波形开始严重失真、放大器削波警告亮起。 从这一点开始、放大器就接地了。 我怀疑这是我所遗漏的东西、但我不确定要去哪里追。 我的第一个想法是与布局或电源相关的东西。 但是、电源轨具有足够的可用功率、12V 电源适用于3A。
