This thread has been locked.

If you have a related question, please click the "Ask a related question" button in the top right corner. The newly created question will be automatically linked to this question.

[参考译文] TAS5825M:TAS5825器件下的散热过孔问题

Guru**** 2451970 points


请注意,本文内容源自机器翻译,可能存在语法或其它翻译错误,仅供参考。如需获取准确内容,请参阅链接中的英语原文或自行翻译。

https://e2e.ti.com/support/audio-group/audio/f/audio-forum/725431/tas5825m-question-of-thermal-vias-under-tas5825-device

器件型号:TAS5825M

您好、Sirs、

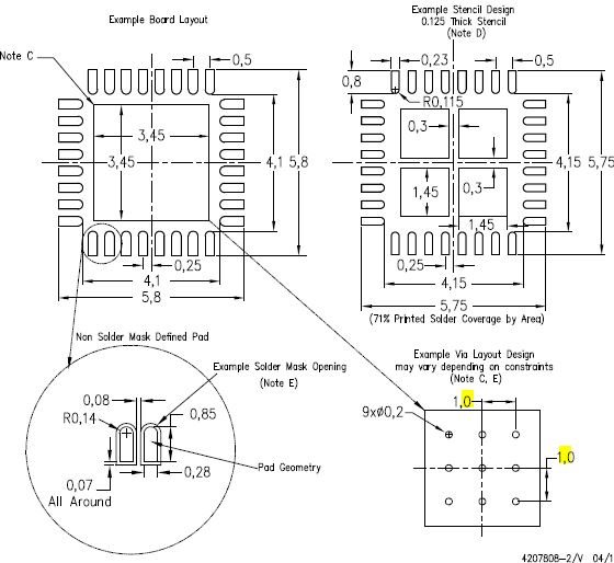
正如我们在 TAS5825 EVM 上看到的、TAS5825器件 U1下有11个散热过孔、TAS5825器件 U2下有13个散热过孔。 您是否会建议 TI 关于数字和尺寸(直径0.33mm?)的官方建议?  散热过孔的热性能呢 ?  



谢谢、此致、

陈耀恩
2018年9月5日

  • 请注意,本文内容源自机器翻译,可能存在语法或其它翻译错误,仅供参考。如需获取准确内容,请参阅链接中的英语原文或自行翻译。

    您好、Wayne、

    热性能受一系列因素的影响、包括过孔数量、铜厚度、层数、接地平面图、外部组件的放置。

    我建议将客户电路板与 EVM 电路板进行比较。  

    对于 您的问题、我建议  使用13个散热过孔和0.5mm 直径。

    此致、

    Alix Wan  

  • 请注意,本文内容源自机器翻译,可能存在语法或其它翻译错误,仅供参考。如需获取准确内容,请参阅链接中的英语原文或自行翻译。
    感谢您的建议。 Alix...Wayne Chen
  • 请注意,本文内容源自机器翻译,可能存在语法或其它翻译错误,仅供参考。如需获取准确内容,请参阅链接中的英语原文或自行翻译。

    您好、Alix、

    您是否会建议 TAS5825 EVM 上的两个散热过孔之间的距离、以供客户参考封装设计?



    谢谢、此致、

    陈耀恩

    2018年9月10日

  • 请注意,本文内容源自机器翻译,可能存在语法或其它翻译错误,仅供参考。如需获取准确内容,请参阅链接中的英语原文或自行翻译。

    您好、Wayne、

    请参阅随附的文件以了解所有需要的信息。 您随附的图片基于 EVM、我请求提供原始 设计文件、然后将通过电子邮件发送给您。

    e2e.ti.com/.../PCB-Footprint.pdf

    此致、

    Alix Wan。

  • 请注意,本文内容源自机器翻译,可能存在语法或其它翻译错误,仅供参考。如需获取准确内容,请参阅链接中的英语原文或自行翻译。

     您好、Alix、

    感谢您的关注。 本文档中有九个0.2mm 散热过孔。 客户能否按照您建议的本文档继续使用九个散热过孔?
    请相应提供13个过孔的设计信息。



    谢谢、此致、

    陈耀恩
    2018年9月20日