请注意,本文内容源自机器翻译,可能存在语法或其它翻译错误,仅供参考。如需获取准确内容,请参阅链接中的英语原文或自行翻译。
器件型号:TLV320AIC3104 工具与软件:
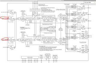
您好、很抱歉打扰您。 我想知道 TLV320AIC3104IRHBR 材料是否能够检测耳机的热插拔。 图中标记了两个输入引脚。 我们希望得到您的回复。 非常感谢 
This thread has been locked.
If you have a related question, please click the "Ask a related question" button in the top right corner. The newly created question will be automatically linked to this question.
工具与软件:
您好、很抱歉打扰您。 我想知道 TLV320AIC3104IRHBR 材料是否能够检测耳机的热插拔。 图中标记了两个输入引脚。 我们希望得到您的回复。 非常感谢 