Thread 中讨论的其他器件:SysConfig、 C2000WARE
工具/软件:
您好、
在 F28p65x TRM 中、pg - 4181 中、提到 QEP 来自输入 X-BAR 和 CMPSS 源。 但是、在 GPIO 映射和 LaunchPad 中、我们发现正在路由到 QEP 输入的特定引脚。
即使在 SysConfig 中、我们也会看到特定引脚被路由到 QEP。
那么、我们可以在 F28p65x 中使用输入 X-BAR 将任何 GPIO 添加到 QEP 吗?
谢谢、
Mukul
This thread has been locked.
If you have a related question, please click the "Ask a related question" button in the top right corner. The newly created question will be automatically linked to this question.
工具/软件:
您好、
在 F28p65x TRM 中、pg - 4181 中、提到 QEP 来自输入 X-BAR 和 CMPSS 源。 但是、在 GPIO 映射和 LaunchPad 中、我们发现正在路由到 QEP 输入的特定引脚。
即使在 SysConfig 中、我们也会看到特定引脚被路由到 QEP。
那么、我们可以在 F28p65x 中使用输入 X-BAR 将任何 GPIO 添加到 QEP 吗?
谢谢、
Mukul
嘿、Mukul、
1.如您所述、有两种不同的方法可将信号路由到 F28P65x 中的 QEP 模块:
-通过直接映射到 QEP 输入的特定 GPIO 引脚
-通过输入 X-BAR
2.这种双路布线功能实际上是一种为您的设计提供灵活性的功能。 这两种方法都是有效的、可以根据您的应用需求使用:
a) 直接 GPIO 映射:
-这是特定引脚专用于 QEP 功能的传统方式
-器件引脚排列和 GPIO 映射表中记录了这些引脚
-这是您在 SysConfig 和 LaunchPad 上看到的
b) 输入 X-BAR 布线:
-这提供了额外的灵活性,允许您通过输入 X-BAR 将任何 GPIO 路由到 QEP
-当您需要在与默认映射不同的引脚上使用 QEP 输入时、这将非常有用
但是、为了向您提供有关特定配置选项和限制的最准确和最详细的信息、我需要验证技术文档中的确切详细信息。 我推荐:
1.仔细检查 TRM 的输入 X-BAR 部分、确认哪些特定的输入 X-BAR 信号可以路由到 QEP
2.查看输入 X-BAR 配置寄存器
3.查看器件 SDK 中的任何示例、这些示例演示了 QEP 的输入 X-BAR 配置
您能分享一下 TRM 中有关输入 X-BAR 到 QEP 路由的任何特定部分、您希望我对此进行澄清吗? 这将帮助我提供有关配置过程的更具体的指导。
此外、如果您使用此配置、我建议:
1.如果默认引脚适用于您的应用、请首先尝试直接 GPIO 映射
2.如果您需要更灵活的引脚选择,请使用输入 X-BAR 布线
此致、
Zackary Fleenor
您好、Zackary、
我仔细检查了 TRM、发现以下发现:
1) 我找不到任何输入 X-BAR 路由到 eQEP。 请参阅 F28po65x TRM 的第 2382 页

2 和 3) 找不到任何此类寄存器。
F28p65x 似乎不支持通过输入 X-Bar 路由 GPIO。 我认为 TRM 需要在 QEP 一章中进行更新。
请告诉我我我的解释是否正确。
谢谢、
Mukul
您好、Zackary、
我想知道将哪个输入 X-Bar 路由到 eQEP。 您分享的图像不清楚。
另请注意以下文件中的:
“C:\ti\c2000\C2000Ware_5_02_00_00\driverlib\f28p65x\driverlib\eQEP-.h“
eQEP 源选项提到了 Device 引脚、而不是 Input X-BAR

此外、在 SysConfig 工具中、我们还有多个连接引脚。

如果我将器件引脚配置为 eQEP 引脚、并将输入 X-BAR 中的任何其他引脚配置为 eQEP 引脚、将考虑使用哪个 GPIO。
如果您需要任何其他信息、请告诉我。
谢谢、
Mukul
你好 Mukul、
上星期我是 OOO 时的延误。
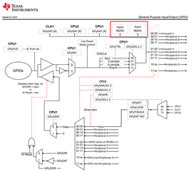
再次查看信息后、eQEP 信号需要遵循以下所述的路径:
PIN -> GPIO -> INPUTXBAR -> PWMXBAR -> eQEP
然后使用“QEPx Source“下拉列表中的 PWMXBARx 选项。
我生成了一个示例 SysConfig 解决方案供参考。
GPIO10/11/12 用作输入信号。 它们被馈送到 INPUTXBAR0/1/2、然后馈送到 EPWMXBAR Trip1/2/3。 然后在 eQEP 中将 PWMXBAR1/2/3 用作信号源。
/cfs-file/__key/communityserver-discussions-components-files/171/GPIO2XBAR2EQEP_5F00_example.syscfg
此致、
Zackary Fleenor