Thread 中讨论的其他器件:C2000WARE、 TMDSCNCD28379D、 controlSUITE、
工具/软件:
大家好、我正在探索向 F28379D 芯片添加更多 RAM 的选项。
目前、芯片有 1024KB 闪存和 204KB RAM。 如果我的代码增加或我希望以更快的采样时间(更快的执行周期)运行它、我将需要更多的 RAM 存储器。 是否可以添加更多 RAM(例如 IS61WV5128BLL-10TL)、以及如何将其连接到 F28379D?
放大 DSP 的大小:如果 RAM 升级不起作用、则最后应选择使用 1536KB 闪存的 F28388D 和 338KB RAM 的 F29H850 以及 4864KB 闪存和 452KB RAM。
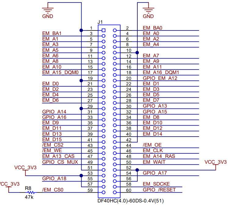
F28379D 引脚布局(来自 https://www.ti.com/lit/gpn/tms320f28379d、图 5-5,第 13 页
RAM 引脚布局(来自 http://www.issi.com/ww/pdf/61-64wv5128axx-bxx.pdf、 第 2 页)
如果成功、应用中是否有任何设置(例如 MATLAB Simulink)、或者 F28379D 是否会自动识别和使用额外的 RAM?
此致、MB







