Other Parts Discussed in Thread: TMS320F28388D
器件型号: TMS320F28388D
尊敬的支持团队:
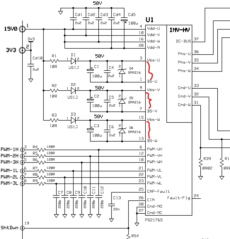
我已订购 TI 的工业驱动器开发套件、用于评估 PMSM 电机控制算法。 我已将 150V 直流连接到套件、并通过套件上的电源模块、有一个很好的选项、可从 150V 电压生成 IGBT 驱动器所需的 15V 电压。 我还提供了来自控制卡 (TMS320F28388d) 的 PWM 信号、但我观察到 IGBT 没有开关。
我检查了 vbs-U 和 BS-U 引脚上的电压值、得到的电压为 2.8V、而预期电压为 15V、这就是 IGBT 模块跳闸的原因。 任何人都能告诉我为什么会发生这种情况,以及如何摆脱这个问题。
