This thread has been locked.

If you have a related question, please click the "Ask a related question" button in the top right corner. The newly created question will be automatically linked to this question.

[参考译文] CCS/TMS320F2.8377万S:TMS320F2.8377万S -按顺序存储1 MB

Guru**** 2482225 points


请注意,本文内容源自机器翻译,可能存在语法或其它翻译错误,仅供参考。如需获取准确内容,请参阅链接中的英语原文或自行翻译。

https://e2e.ti.com/support/microcontrollers/c2000-microcontrollers-group/c2000/f/c2000-microcontrollers-forum/619359/ccs-tms320f28377s-tms320f28377s---storing-1-mb-sequentially

部件号:TMS320F2.8377万S
主题中讨论的其他部件: LUNCHXL-F2.8379万DTMDSCNCD2.8379万D

工具/软件:Code Composer Studio

您好,
我正在处理一个使用TMS320F2.8377万S的项目。
此时,我必须在内存中存储2个字节,周期为2us,时间为1。 在这种情况下,我需要在内存中按顺序存储大约1 MB 的数据。 RAM和TMS320F2.8377万S 闪存都不能满足这一需求。
但是我想将EMIF模块与外部SDRAM一起使用,但是我也不知道是否每两个单元就有SDRAM可用来保存下一个字节。 或者,如果CPU可用,它将使用EMIF模块进行处理。

有一些建议尝试解决我的问题。

谢谢!
Carlos Martins

  • 请注意,本文内容源自机器翻译,可能存在语法或其它翻译错误,仅供参考。如需获取准确内容,请参阅链接中的英语原文或自行翻译。

    卡洛斯,您好!

    因此,基本上您正在寻找通过SDRAM的1Mbps吞吐量。 这应该可以。  我不清楚以下问题-

    [引用]但我也不知道是否每两个单位都有可用的SDRAM来保存下一个字节。 或者,如果CPU可用,它将使用EMIF模块进行处理。 [/引述]

    CPU处理周期的可用性取决于您的应用程序。 通过EMIF存储数据不需要太多CPU处理周期,因为写入是发布的写入。 。

    此致,

    Vivek Singh

  • 请注意,本文内容源自机器翻译,可能存在语法或其它翻译错误,仅供参考。如需获取准确内容,请参阅链接中的英语原文或自行翻译。

    您好Vivek,

    我尝试实施的内容与附图中所示的内容相似。


    由于我没有使用EMIF模块的经验,也没有使用SDRAM类型的内存,所以我有一些疑问。 启用SDRAM时,我可以按顺序向它写入100万字节,还是必须按块写入?

    如果我必须以块为单位执行此过程,是否可以中断CPU从2us到2us的运行过程?

  • 请注意,本文内容源自机器翻译,可能存在语法或其它翻译错误,仅供参考。如需获取准确内容,请参阅链接中的英语原文或自行翻译。
    卡洛斯

    您可以将EMIF写入内存,就像它是内部内存一样。 您可以按顺序,块或随机访问方式写入。 最有效的方法是按顺序写入,但即使在随机访问的情况下,1 MB 也应该是可行的。

    汤米
  • 请注意,本文内容源自机器翻译,可能存在语法或其它翻译错误,仅供参考。如需获取准确内容,请参阅链接中的英语原文或自行翻译。

    您好Tommy,


    感谢您的回复。 你澄清了我的疑虑。


    另一个问题:
    根据我对LAUNCXL-F2.8377万S引脚的分析,我不能实施任何EMIF,对吗?

    此致,
    Carlos Martins

  • 请注意,本文内容源自机器翻译,可能存在语法或其它翻译错误,仅供参考。如需获取准确内容,请参阅链接中的英语原文或自行翻译。
    卡洛斯

    我认为您认为LAUNCHTXL-F2.8377万S不能访问EMIF引脚是正确的。

    但是,LAUNCHTXL-F2.8379万D和TMDSCNCD2.8379万D都具有高密度DF40C-60DP管座,可提供对EMIF的访问。

    如果您计划在LAUNCHTXL-F2.8379万D上使用EMIF标头,请注意EM1A12和EM1SDCKE不会路由到Rev1.x的标头

    汤米
  • 请注意,本文内容源自机器翻译,可能存在语法或其它翻译错误,仅供参考。如需获取准确内容,请参阅链接中的英语原文或自行翻译。

    Tommy,


    感谢您提供信息。

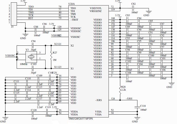
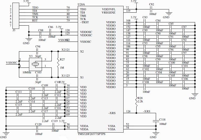
    在这种情况下,我决定为我的应用开发一个板,其中我使用包含EMIF1模块的TMS320F2.8377万SPTPS (176引脚)。
    我的硬件的配置符合所附的图像。
    如果您看到我有任何错误,请告诉我。

  • 请注意,本文内容源自机器翻译,可能存在语法或其它翻译错误,仅供参考。如需获取准确内容,请参阅链接中的英语原文或自行翻译。
    您好,
    我在TMSx ADC的配置部分中检测到错误。
    因为我不使用ADC,所以VREFHIx引脚必须连接到3.3V,VREFLOx引脚必须连接到GND。
  • 请注意,本文内容源自机器翻译,可能存在语法或其它翻译错误,仅供参考。如需获取准确内容,请参阅链接中的英语原文或自行翻译。

    卡洛斯

    将来,当您有新问题时,请发布新的论坛帖子。 它可以帮助其他搜索主题更轻松地查找答案。

    对于此问题,请参阅 ADC和应用中未使用的其他引脚数据表中未使用引脚的4.5 连接部分:

  • 请注意,本文内容源自机器翻译,可能存在语法或其它翻译错误,仅供参考。如需获取准确内容,请参阅链接中的英语原文或自行翻译。

    图形未显示,尝试再次粘贴数据表中的相关部分:

  • 请注意,本文内容源自机器翻译,可能存在语法或其它翻译错误,仅供参考。如需获取准确内容,请参阅链接中的英语原文或自行翻译。
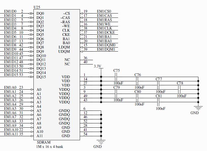
    卡洛斯

    SDRAM连接没有任何问题。

    汤米