This thread has been locked.

If you have a related question, please click the "Ask a related question" button in the top right corner. The newly created question will be automatically linked to this question.

[参考译文] LAUNCHXL-F28069M:Launchpad 隔离器

Guru**** 2529560 points


请注意,本文内容源自机器翻译,可能存在语法或其它翻译错误,仅供参考。如需获取准确内容,请参阅链接中的英语原文或自行翻译。

https://e2e.ti.com/support/microcontrollers/c2000-microcontrollers-group/c2000/f/c2000-microcontrollers-forum/721905/launchxl-f28069m-launchpad-isolators

器件型号:LAUNCHXL-F28069M

您好!

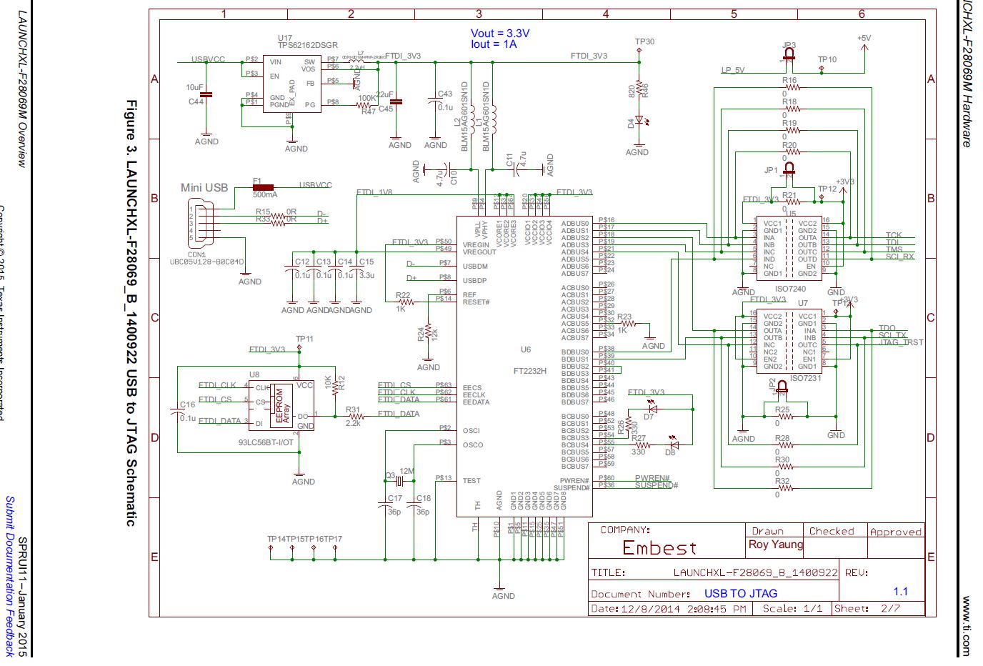
查看 F28069M Launchpad 原理图:

两个隔离器 iso7240和 iso7231用于将目标与 FT2232隔离。 尽管如此、原理图显示绕过隔离器的 R16、18、19、20、25、28、30、32。 BOM 中没有这些电阻器。 实际的 PCB 也缺少电阻器,即使这些电阻器的轨道也可能丢失?

也就是说、JP1和 JP2也被关闭、这意味着目标的电源来自 USB 总线。

这些电阻器的值指定为0,通常0欧姆表示跳线,但如果是跳线(由于没有电阻垫,直接连接?) 那么原理图中的隔离器没有意义吗?

或者0欧姆是否意味着开路?

有什么想法吗?

谢谢、

制造商

  • 请注意,本文内容源自机器翻译,可能存在语法或其它翻译错误,仅供参考。如需获取准确内容,请参阅链接中的英语原文或自行翻译。
    马努

    隔离电阻器的焊盘实际上位于隔离器的正下方。 您将注意到两个焊盘在 JP1附近和隔离器之间卡滞。 如果您决定安装它们、它们是1206焊盘、可供0欧姆电阻器使用。 这样做将永久禁用隔离-很明显、因为您必须移除 ISO 芯片、但也因为您使信号短路。

    将 JP1和 JP2短接也会禁用隔离。

    要实际利用隔离特性、您实际上只需从接头上拉 JP1和 JP2分流器、然后使用外部电源为 MCU 提供3.3V 电压。 XDS100v2将由 USB 供电。

    谢谢、
    标记
  • 请注意,本文内容源自机器翻译,可能存在语法或其它翻译错误,仅供参考。如需获取准确内容,请参阅链接中的英语原文或自行翻译。
    Mark、您好!

    这会清除东西。

    谢谢、
    制造商