主题中讨论的其他器件: TMS320F28P550SJ、 TMS320F28388D
工具与软件:
团队成员、您好!
我们正在寻找下一代 ASIC 解决方案、该解决方案将在 DSP、MCU 和成本方面与现有 TMS320F2810解决方案具有可比性或更好的性能、并且还将提供至少未来15年的支持。 您能不能帮我找到适合相同情况的一个。
谢谢。此致、
Ameenu
This thread has been locked.
If you have a related question, please click the "Ask a related question" button in the top right corner. The newly created question will be automatically linked to this question.
工具与软件:
团队成员、您好!
我们正在寻找下一代 ASIC 解决方案、该解决方案将在 DSP、MCU 和成本方面与现有 TMS320F2810解决方案具有可比性或更好的性能、并且还将提供至少未来15年的支持。 您能不能帮我找到适合相同情况的一个。
谢谢。此致、
Ameenu
最新一代同类器件更是如此
TMS320F28P650DK 数据表、产品信息和支持|德州仪器 TI.com
和
TMS320F28P650SK 数据表、产品信息和支持|德州仪器 TI.com
它们可作为双 CPU 或单 CPU 子系统提供。
Chris、您好!
感谢您的答复。 一个问题是 TMS328F28P650SK 提供 ADC 采样率最大3.92MSPS、这很难与我们大约为2 -3MHz 频率的信号连接、而现有 TMS320F2810能够高达12.5MSPS。 因此、它可能不适合作为替代方案。 但是、由于现有 ADC 没有外部 ADC、因此增加外部 ADC 的成本会更高。 您如何思考选择合适的方法?
Chris、您好!
这让我更加困惑。
1.如果使用一个通道、可以为 P650器件提供的最大采样率是多少? 它像是3x 3.92= 11.76MSPS 吗?
2.正如您说过的、如果我使用 TMS320F28P550SJ、那么它是否符合下一代 DSP 的要求以及比现有的 TMS320F2810更好的性能? 如果我使用单通道、 我们可以将最大采样率视为5倍3.92 = 19.6MSPS 吗?
Ameenu,
1. 如果我使用一个通道、那么我可以为 P650器件提供的最大采样率是多少? 它是否类似于3x 3.92= 11.76MSPS?
a1)不可以、单通道的最大值是您提到的3.9MSPS。
我将在这里介绍一些背景信息、C2000系列微控制器主要面向实时控制应用;在这些应用中、有多个模拟输入(通常低于1MHz BW)需要快速进行采样/转换、而且还需要彼此同时进行采样/转换。 我们的第1代/第2代器件具有12.5MSPS 的采样速率、同时双采样保持速度快于我们的第3代 ADC、但在共入射采样方面仍然存在一些限制。
第3代器件的策略稍有不同、即放置多个中速 ADC、以改善同次采样方面。 因此、在单个器件上可看到4个甚至5个 ADC。 如果我们认为这些模拟输入中的每一个都来自不同的源、这将提供的有效采样率为#ADC x 采样率、因此对于上述3x3.92MSPS = 11.76MSPS 是有效的。
但是、对于单个输入、这不会带来任何好处、因为我们只会以3.92MSPS 的最大速率在多个 ADC 上对相同的输入进行采样。 此外、如您所述、对于以这种速度运行的转换器而言、2 -3MHz 输入现在接近/超过奈奎斯特限值、这将从数学角度影响模拟信号数字表示的良率。
2. 正如您所说的、如果我使用 TMS320F28P550SJ、那么它是否会符合下一代 DSP 要求以及比现有的(TMS320F2810)更好的性能? 如果我使用单通道、 我们可以将最大采样率视为5倍3.92 = 19.6MSPS 吗?[/QUOT]遗憾的是没有。 虽然我们在 HW 中添加了更多特性、例如过采样支持、最小值/最大值检测、平均值计算、但 ADC 的最大采样率在此处不受影响(影响的是控制环路有可用转换值的时间)。
就与 F281x 处于同一范围内的下一代 ADC 而言、我想看看 TMS320F28335系列器件。 这可以保留类似的12.5MSPS ADC、但增加了增益和偏移规格的改进、以及提供 F281x 所没有的偏移校正功能。 该器件还添加了浮点支持、并具有与 Chris 在第3代器件上提到的类似的外设。
该器件比 F281x 更新了大约7年、并且拥有庞大的客户群。 我要参阅 TI 的 EOL 政策、至少5年前没有任何器件需求/订单、甚至可以考虑 EOL 选项。 即使这样、我相信我们也会在有停产计划时通知客户群、并提供一些终身购买选项等 因此、我认为您的设计中仍然可以使用 F281x 或 F2833x。
最后、这两种器件均由 TI 制造、并使用我们的制造工厂、因此我们可完全掌控任何生命周期决策。
如果您有任何其他问题或茧、敬请告知。
此致!
Matthew
尊敬的 Mathew:
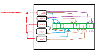
感谢您的详细解释和有见地的答复。 有一种方法可以摆脱最新一代 MCU 提供的单个通道采样限制。 请在下面找到该问题并验证其是否正确?
1.为了满足与 MCU 的内部 ADC 连接的信号的12MSPS 要求、我们可以将同一信号连接到最新一代 MCU 的多个内部 ADC 模块、并创建原始样本缓冲器、该缓冲器将是一个逐个样本的阵列、如下所示。 当然、采样应在每条通道的不同时序下进行、以满足高采样率要求。 最终、 除了外部 ADC、它还能满足我们应用的最大信道能力和采样要求。 这种方法是否适用于我们? 您的想法是什么?

谢谢。此致、
Ameenu,
存在一个细微的问题、这将限制这种方法。 较新器件上的 ADC 仅支持 ADC 之间的同步采样、因此不能通过此限制对 ADC A、B、C、D 等的采样进行相位调整。
不过我要补充一点、如果只看12位模式、我认为从 ADC 到 ADC 的噪声干扰就不会像在16位模式下那样糟糕。 也就是说、我们可以尝试您提到的这种方法、及时错开 ADC SOC 以获得更高的吞吐量。 ADC 之间在增益/偏移误差方面会有一些变化、但我认为尝试一下至少能表明这对于您的系统来说是可以接受的。
此致!
Matthew
对于同时具备这两种特性的器件、F2837x 系列器件是您的最佳选择; https://www.ti.com/product/TMS320F28379S 我已链接到单核、但如果您需要更高的 CPU 处理能力、还有一个双核型号。
此致!
Matthew