主题: AMC1306M25中讨论的其他器件
工具/软件:
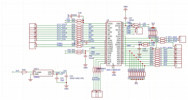
当我使用 stm32f429vit6 SPI 读取 AMC1210时、我首先写入0x01寄存器0x0001值、但无法读取该值。 MISO 在我读取时始终处于低电平状态。 您能帮助我检查我发送的 SPI 出了什么问题吗? 这是原理图和 SPI 的图 



This thread has been locked.
If you have a related question, please click the "Ask a related question" button in the top right corner. The newly created question will be automatically linked to this question.
工具/软件:
当我使用 stm32f429vit6 SPI 读取 AMC1210时、我首先写入0x01寄存器0x0001值、但无法读取该值。 MISO 在我读取时始终处于低电平状态。 您能帮助我检查我发送的 SPI 出了什么问题吗? 这是原理图和 SPI 的图 



在连接到 AMC1210的 CLKINx 引脚之前、您可以将用于驱动 AMC1306的时钟反转。我不知道如何实施这句话、您能详细解释一下吗、再来一点、Tom、我不熟悉 AMC1210的应用。 配置寄存器如下:
0x01 -> 0x0010、
0x02 -> 0x0FFF、
0x03 -> 0x3800、
0x19 -> 0x2000、
0x1b -> 0x0811、
您能给我一些建议吗? 谢谢!
您跳过了主题"海阳"、
最初位于 AMC1210和微控制器之间、现在位于 AMC1210和 AMC1306之间。 AMC1210的寄存器中没有能够改善其与 AMC1306之间通信的电容器。 与 AMC1210 (上升时钟上的有效数据)相比、AMC1306在相反的时钟沿(下降时钟上的有效数据)工作。 AMC1210的四个滤波器块取决于 CLKX (引脚3、5、7、9)和 DIN (引脚2、4、6、8)。 我不知道将 CLKIN 从哪里源到 AMC1306、但如果您要在其中和 AMC1210 CLKX 输入之间放置逆变器、它应满足最短建立时间和保持时间要求。