This thread has been locked.

If you have a related question, please click the "Ask a related question" button in the top right corner. The newly created question will be automatically linked to this question.

[参考译文] ADS1248:ADC 转换结果计算

Guru**** 2539500 points
Other Parts Discussed in Thread: ADS1248

请注意,本文内容源自机器翻译,可能存在语法或其它翻译错误,仅供参考。如需获取准确内容,请参阅链接中的英语原文或自行翻译。

https://e2e.ti.com/support/data-converters-group/data-converters/f/data-converters-forum/910547/ads1248-adc-conversion-result-calculation

器件型号:ADS1248

大家好、

我将 ADS1248用于温度传感应用、使用 PT100测量温度。 以下是我为计算与温度输入对应的输出代码所遵循的步骤。 对于调试过程、我连接了一个100欧姆电阻作为输入。

参数设置是

PGA 增益= 16

VREF = 1.62V

IDAC1 = IDAC2 = 750uA  

我的计算如下  

满量程读数(FS)= Vref/增益= 0.10125V

1LSB = 0.10125 / 2^23 = 1.206994056 * 10^-8V

用于三线 RTD 测量的应用手册

代码: Rrtd /(2* Rref)

电流为750uA  

Vrtd = IDAC1 * Rrtd = 750mV

因此  

代码:Vrtd /(2*Vref)= 0.023148

0.023148/1LSB = 191782.2034十进制

不包括小数部分

(1917822) edimal =(1D437E)十六进制

根据 PT100数据表、100欧姆相当于0度腹腔

那么、我的问题是、1D437E 是否为0度的正确值? 如果您错了、请您指出我错了哪里。

此致、

葡萄园

  • 请注意,本文内容源自机器翻译,可能存在语法或其它翻译错误,仅供参考。如需获取准确内容,请参阅链接中的英语原文或自行翻译。

    您好、Vineyeth、

    很抱歉耽误你的答复。  

    您使用哪种3线测量? 高侧或低侧基准?  

  • 请注意,本文内容源自机器翻译,可能存在语法或其它翻译错误,仅供参考。如需获取准确内容,请参阅链接中的英语原文或自行翻译。

    您好、Alexander、

    我n`t 您得到高侧或 低侧基准的含义。 我是这里的初学者。 我正在尝试使用 ADS1248至280049进行三线 RTD 测量、如果这是我们所要求的。

    此致、

    葡萄园

  • 请注意,本文内容源自机器翻译,可能存在语法或其它翻译错误,仅供参考。如需获取准确内容,请参阅链接中的英语原文或自行翻译。

    您好、Vineyeth、

    很抱歉、在" RTD 测量基本指南"中、有3个使用3线 RTD 的电路: https://www.ti.com/lit/an/sbaa275/sbaa275.pdf?ts=1591640492912&ref_url=https://www.google.com/

    三线 RTD 低侧基准测量电路

    具有一个 IDAC 电流源的三线 RTD 低侧基准测量电路

    三线 RTD、高侧基准测量电路

    您选择了以下哪种电路实现? 您能否提供原理图?  

  • 请注意,本文内容源自机器翻译,可能存在语法或其它翻译错误,仅供参考。如需获取准确内容,请参阅链接中的英语原文或自行翻译。

    尊敬的 Alex:

    感谢您的及时响应。

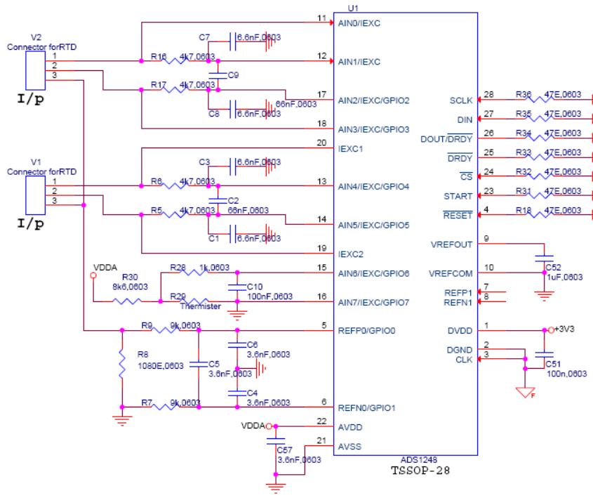
    我认为我的电路属于三线 RTD 低侧基准测量电路。 以供您参考。

    此致、

    葡萄园

  • 请注意,本文内容源自机器翻译,可能存在语法或其它翻译错误,仅供参考。如需获取准确内容,请参阅链接中的英语原文或自行翻译。

    您好、Vineyeth、  

    如果您在文档中引用2.3.4、则公式(32)相关输出代码和 R_RTD 的公式为:

    RRTD = RREF•输出代码/(2^22•增益)

    对于100欧姆的固定电阻和1080的基准电阻、 输出代码的十进制电阻为6、213、783。 请记住、从 ADC 接收的是二进制补码格式。 必须将接收到的数据的 MSB 测试为1或0以确定极性、然后将二进制数转换为十六进制数、再转换为十进制数。  

    这适用于不同的24位器件、但该示例可帮助您完成计算: https://e2e.ti.com/support/data-converters/f/73/p/772488/2856893#2856893

    请告诉我这些信息是否有用。  

  • 请注意,本文内容源自机器翻译,可能存在语法或其它翻译错误,仅供参考。如需获取准确内容,请参阅链接中的英语原文或自行翻译。

    您好、Alexander、

    感谢您的善意建议。

    我的目标是测量和限制2至8摄氏度范围内的温度。 对于温度测量、我使用的是 ADS1248。

    根据您的建议、我已经完成了计算。 它如下所示、

    PT100是所用的 RTD、在0摄氏度时、RTD 电阻将为100欧姆。 为了对此进行仿真、我将100欧姆固定电阻器连接到了通道1。

    因此、对于固定的100欧姆电阻器、

    输出代码= 5EEC17 = 6220823十进制数

    转换为电阻将返回我的 RTD 值、如所示

    Rrtd = 1080 * 6220823 /(2^22 * 16)= 100.1132欧姆

    使用公式将其转换为温度值

    Rrtd = Ro (1+ alpha * t)

    RO = 0摄氏度时 RTD 的电阻

    α= 0摄氏度( 每摄氏度)下的电阻温度系数

         对于 PT100、= 0.000385

    然后  

    温度 t =((Rrtd / Ro)-1)/ alpha

      =((100.1132 / 100)- 1)/0.00385

      = 0.294 摄氏度(而不是0度)  

     请仔细查看它是否正确、请告诉我。  

    此外、我还有一个问题、即使我连接了一个100欧姆的固定电阻器、每次运行代码时、输出代码都会不断变化。 为什么会发生这种情况?  

    我需要检测最低 温度的0.2摄氏度变化,我应该如何准确地进行检查?

    谢谢你  

    葡萄园

  • 请注意,本文内容源自机器翻译,可能存在语法或其它翻译错误,仅供参考。如需获取准确内容,请参阅链接中的英语原文或自行翻译。

    您好、Vineyeth、

    我想您可能已经为 α 添加了额外的十进制位置、因为我得到的是2.94摄氏度。 不过、我认为这只是一个拼写错误、您计算正确、为0.294度。  

    由于您的电阻器略大于100欧姆、因此返回的温度略高于0C 也不足为奇。  

    所有电路中都存在噪声、这是由电流通过电阻引起的。 这称为热噪声。 该噪声是随机的、将翻转一些最低有效位。 不受此噪声影响的位称为 ENOB。  

    为了提高分辨率、您可能需要使用更高精度的电阻器进行基准测量、因为该电阻的任何变化都会导致直接误差。 即基准电阻为1079.5与1080欧姆。  

    您还可以尝试斩波 IDAC 源、如 指南的第2.3.6节所示。  

    我们有一个培训视频库、如果您有兴趣了解有关这些主题的更多信息、请观看其中的几个关于噪声的视频: https://training.ti.com/ti-precision-labs-overview

  • 请注意,本文内容源自机器翻译,可能存在语法或其它翻译错误,仅供参考。如需获取准确内容,请参阅链接中的英语原文或自行翻译。

    您好、Alexander、

    感谢您花时间检查我的计算结果。 正如您建议的、我将研究精密电阻器以进行调试。  

    我想现在我在使用 ADC 进行测量时更加清晰、感谢您的友好合作。

    对我们初学者来说、这意味着很多。

    此致、

    葡萄园

  • 请注意,本文内容源自机器翻译,可能存在语法或其它翻译错误,仅供参考。如需获取准确内容,请参阅链接中的英语原文或自行翻译。

    您好、Vineyeth、

    我很高兴。 如果您有其他问题、请告知我们、祝您好运!