请注意,本文内容源自机器翻译,可能存在语法或其它翻译错误,仅供参考。如需获取准确内容,请参阅链接中的英语原文或自行翻译。
器件型号:ADS1299 您好!
我 正在 使用 ADS1299设计 适用于 EEG 应用的 PCB。
ADS1299 将 有 一个 AVDD 双极模拟电源: 2.5V 和 AVSS:-2.5V 、而 DVDD 数字电源: 3.3V (和 (D) GND)。
由于去耦电容器 提供 多种 解决方案、目前我正在尝试找出连接去耦电容器的最佳方法。
我 知道 、 将 模拟 接 地与数字接地分开 并将它们合并 在 某个 位置 (或 以 这 两 部分都 不会 干扰的方式管理返回电流)是一种好的做法。
话虽 如此、 我 特别 想 知道 我是否 应该 将模拟 电源去耦 至 模拟 电源 (AVDD 至 AVSS 、 反之亦然 ) 或者 是否 应该 去耦 至 公共 接地。
以下 是 我的 来源:
根据 数据表的 引脚 功能 表 (第 6页) (ADS1299数据表): AVDD 应为 "将 1-μF 电容器连接 到 AVSS" 。
在 本例中、这 意味着 2.5V 至-2.5V 之间 。
图表3和图2也支持这一点、 80. ADS1299 示例 布局 (第73页)、 其中显示了 AVDD 去耦 至 AVSS。
不过、 图1所示的同一数据表 78. 双极 电源 操作 (第 78页), 代表 我的 供电 情况, AVDD 去耦 到 DGND ,而 不是 原来的 通知 AVSS。
ADS1299EEG 评估 板 (ADS1299EVM) 原理 图 58 (第 50页) 数据表链接 显示了 引脚 DGND 连接 到 网 AGND 、该网通过 J4和 J3供电、并 通过 0r 电阻器 R74 (p-53)短接至 GND。 此处、 ADC 的 AVDD 去耦 至 AVSS 和 GND。 AVSS 同时去耦 至 AVDD 和 GND 。
现在、 浏览 此 论坛 也将提供这两种选择 :
在 该帖子中 、 建议:"电容器 应 放置 在 AVDD 和 AVSS、 DVDD 和 DGND 之间。 不 建议在模拟和数字(AVDD-DGND、DVDD-AVSS)平面之间使用电容器。"
而 这个帖子 声明: "1uF 电容器 连接 在 AVDD 和 GND 之间、然后在 AVSS 和 GND 之间连接另一个电容器"
我的 结论 是 、 引脚 功能 表 以及 数据表中的示例布局 不 考虑 双极 电源 、并 假设 AVSS 是 公共 接地 、而 图 78 显示了 芯片的正确布线方式。
该怎么做:
将 AVSS、 AVDD 和 DVDD 全部解耦至 GND (您将遵循布局准则、将 GND 信号分离为2个平面、一个用于模拟、一个用于数字部分、并在特定位置将它们合并在一起)
2.AVDD 至 AVSS 去耦、AVSS 至 AVDD 和 DVDD 至 GND
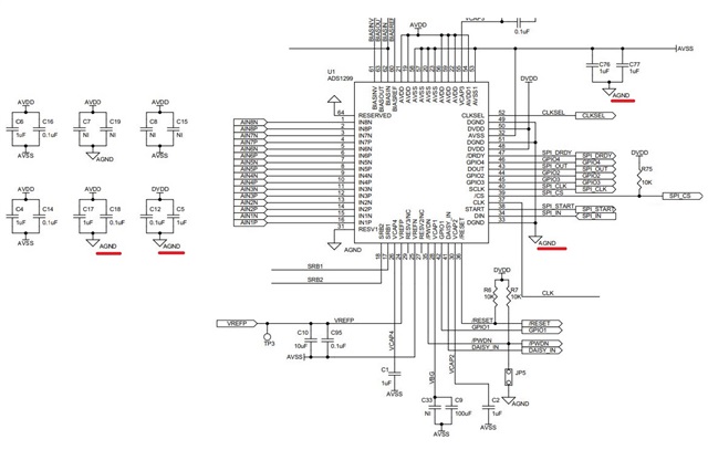
非常 感谢任何帮助。 这是我的原理图、可以作为 
此 致、
约什