工具与软件:
大家好、团队成员:
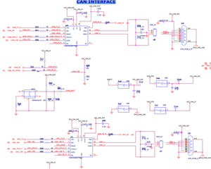
我们的团队正在验证 CAN 接口。 我们正在检查是否存在外部环回。 数据从控制器引脚 MCAN0_TX 发送到 CAN0收发器。 我们能够在收发器的 TXD 引脚上看到 TX 数据、还可以在 CANH 和 CANL 引脚上看到差分数据、另外、在 RXD 上也会看到数据。 但当我们尝试连接两个收发器的差分引脚以突然形成环路时、CAN0收发器的 CANH 和 CANL 引脚上会出现巨大的压降。 CAN1收发器的 RXD 引脚上没有任何东西。 下面附上了简要示意图。 所有电压均正常、所有引脚均配置正常。

我这里有两个问题
1) 1)当我们尝试连接各个收发器的 CANH 和 CANL 引脚时、为什么会出现压降?
2) 2)是否需要任何配置来接收数据?
如果您需要任何其他数据、请告知我。
此致、
Narayanraao Puli.