您好专家、
我的客户正在将 ISO1042用于包含能量的存储项目。
因此、它们需要使用 CAN 总线并联多个 BMU。 CAN 网络的结构如下所示、 它们使用10块电路板(即10个 CAN 节点)创建了一个测试系统。
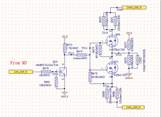
总 CAN 网络长度约为10M (他们现在不使用扭曲线)。 它们使用 MOS 来控制网络的末端只有120o 电阻。 该电路在其电路板中靠近 ISO1042:

当它们使用500kbps 的速度时、通信就可以工作。
但是当它们将速度增加到1Mbps 时、CAN 总线波形不好。
这是终端节点 CANH 和 CANL 波形

您能不能给出波形不好的一些潜在原因吗?
ISO1042可以在物理层支持5M、为什么它仅在1Mbps 下不是很好?
节点、速度和总线长度的组合是否存在一些限制?
我阅读了此应用手册、它告诉我存根长度应小于0.3m、因此我要检查存根长度是否为过环长度、在我的应用中、该长度应为0.4m?
那么500kbps 的存根限制是多少? 此消息可以帮助我了解客户遇到的现象?
https://www.ti.com/lit/an/slla486a/slla486a.pdf
BR
Emma