请注意,本文内容源自机器翻译,可能存在语法或其它翻译错误,仅供参考。如需获取准确内容,请参阅链接中的英语原文或自行翻译。
器件型号:EVM430-FR6047 主题中讨论的其他器件: MSP430F5528、 ENERGYTRACE
工具与软件:
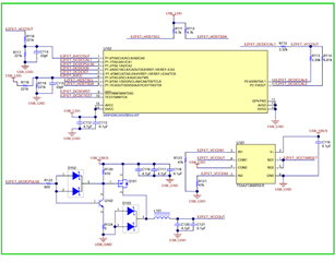
我将浏览 EVM430-FR6047的原理图、我希望能够对此电路有所了解。 它位于原理图的表4上、与 MSP430F5528 EZFET-Lite 配对。 根据我对 U101所发生的事情的理解、所有 U101仅作用于驱动电压 EZFET_VCCTARGET、对吗? 对于 U102、我真的不知道它在做什么、我能获得一些输入吗?

谢谢!