Thread 中讨论的其他器件: UCC28782、 TL431
工具与软件:
嗨、团队:
我们已经测试了 PFC UCC28056的序列测试、WRT 输入电流和输出电压。 开启 PFC 本身需要3.5秒。
您可以建议我们缩短时间。
请查找参考图像以供参考。
黄色:输入电流
红色:具有20W od 输入功率的 PFC 输出。
打开所需的时间- 3.5秒

黄色-输入电流
红色- 48V
打开所需的时间- 3.5秒

谢谢、此致
Symon
This thread has been locked.
If you have a related question, please click the "Ask a related question" button in the top right corner. The newly created question will be automatically linked to this question.
工具与软件:
嗨、团队:
我们已经测试了 PFC UCC28056的序列测试、WRT 输入电流和输出电压。 开启 PFC 本身需要3.5秒。
您可以建议我们缩短时间。
请查找参考图像以供参考。
黄色:输入电流
红色:具有20W od 输入功率的 PFC 输出。
打开所需的时间- 3.5秒

黄色-输入电流
红色- 48V
打开所需的时间- 3.5秒

谢谢、此致
Symon
您好、Symon:
该 E2E 主题关乎 UCC28056 PFC 电路的启动时间问题。
如果该问题现已解决、我认为应该关闭该主题。
由于您有一个与 UCC28782相关的新问题、请打开一个以 UCC28782为主题的新 E2E 主题。
这将帮助我们区分问题并能够更好地跟踪线程。
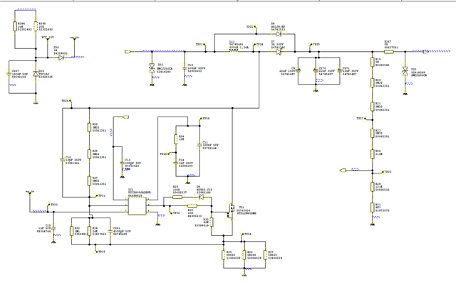
要获取新主题、请发布原理图的 PDF 文件。 上面发布的嵌入式图像足以清晰读取、但缺少许多细节。
另外、当问题发生时、请发布输入和输出设计目标以及测试条件。
在结束之前、我能够看到图像中的一些细节。
看起来您的 TL431稳压器是使用56kR 和3.3kR 反馈电阻器针对44.9V 输出进行编程的(至少这些值是我看起来的值)。 
TL431稳压器的额定绝对最大 VKA 为37V、因此该器件可能会过载。
如果电流击穿和泄漏、该电流将流经光耦合器光电二极管、并导致光输出晶体管导通。
集电极电流会阻止 UCC28782提供满输出功率、因为 FB 引脚上的电流无法变为零。
请查看该问题、找到防止 TL431出现过压的方法。 无论其他任何问题如何、都必须这样做。
如果这样仍无法解决 UCC28782启动问题、请 针对 UCC28782问题发布新的主题。
我将关闭该 PFC 问题。
此致、
Ulrich