请注意,本文内容源自机器翻译,可能存在语法或其它翻译错误,仅供参考。如需获取准确内容,请参阅链接中的英语原文或自行翻译。
部件号:BQ40Z50 主题中讨论的其他产品: BQ40Z80
工具/软件:
尊敬的 TI 团队:
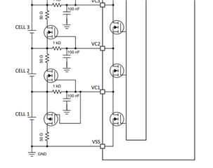
我们正在为 BQ40Z50设计一个外部电芯均衡电路、因此需要确认我们的均衡电路是否正确实施。 我们的目标均衡电流为20mA。
请帮助您查看我们的电路并确认设计是否正确? 如果需要进行任何调整、请告知我们。
感谢您的支持!

This thread has been locked.
If you have a related question, please click the "Ask a related question" button in the top right corner. The newly created question will be automatically linked to this question.