工具/软件:
您好、
我们想在我们的一个电路中使用 LM234可编程恒流源 IC。 我想将 IC 用作在10至40°C 温度范围内16uA 的恒流源。我想知道在具有4.2K 1%容差的固定 Rset 电阻器的情况下、电流值(16uA)是否会在10至40°C 内随温度而变化。
This thread has been locked.
If you have a related question, please click the "Ask a related question" button in the top right corner. The newly created question will be automatically linked to this question.
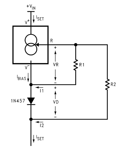
您好、
我使用 LM234作为零温度系数电流源。 我使用了8.35K 作为 R1电阻器、83.5K 作为 R2电阻器、并使用了二极管1N457。 根据数据表中给出的公式、我的 ISET 应该是16.04uA、但实际上我得到的是14.3uA、而 ISET 随温度的升高而增加。 我也尝试使用91.85K 作为 R2。 不过、我仍然无法获得16uA 的电流和0的温度系数。 您能帮我解决这个问题吗? 我使用了公式 ISET= 0.134/R1、R2=10R1
