工具/软件:
大家好:
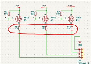
我真的希望有人能帮助我澄清我的设置是否能按预期运行。 我在项目中使用的是共阴极 RGB LED、但我遇到了两个问题:
-
我的 MCU 没有足够的 PWM 引脚
-
找不到能够为 RGB LED 提供足够电流的 LED 驱动器。
作为权变措施、我使用了 LP5810ADSDR、我知道它通常用于共阳极 LED、但我使用了不同的布线方式、以尝试使其在共阴极下工作。
任何人都可以确认此设置是否有效吗? 或者建议我如何测试或验证它是否按预期工作?
如果有任何见解或有人做过类似的事情、我将非常感激。
提前感谢!
LED: www.amazon.com/.../B0DGQ7R39K


